Lifan Solano с 2008, ремонт электрооборудования инструкция онлайн
Обычно пользователи нашего сайта находят эту страницу по следующим запросам:
номер кузова Lifan Solano, давление в шинах Lifan Solano, неисправности Lifan Solano, подготовка к зиме Lifan Solano, тормоза Lifan Solano, масляный фильтр Lifan Solano, топливный фильтр Lifan Solano, фильр салона Lifan Solano, регулировка фар Lifan Solano, номер кузова Lifan 620, давление в шинах Lifan 620, неисправности Lifan 620, подготовка к зиме Lifan 620, тормоза Lifan 620, масляный фильтр Lifan 620, топливный фильтр Lifan 620, фильр салона Lifan 620, регулировка фар Lifan 620
1. Общая информация
На автомобиле используется электрическая система напряжением 12 В с отрицательной полярностью массы. Питание на освещение и все электрическое оборудование подается от аккумуляторной батареи, которая заряжается от генератора.
Типичная электрическая цепь состоит из электрического компонента, выключателей, реле, мотора, предохранителей, плавкий вставок, прерывателей и других относящихся к цепи компонентов, а также электрических проводов, которые соединяют компонент с аккумуляторной батареей и шасси.
Чтобы определить точное место неисправности в электрической цепи, в данной главе приведены электрические схемы.
Перед тем, как попытаться диагностировать неисправность в электрической системе, прежде всего, необходимо изучить соответствующую электрическую схему, чтобы иметь представление о компонентах данной цепи. Список возможных источников неисправности можно сократить, проверив исправность компонентов, относящихся к данной электрической системе. Если несколько компонентов повреждены одновременно, скорее всего проблема в перегоревшем предохранителе или соединении на массу.
Электрические неисправности обычно происходят вследствие достаточно простых причин, например, ослабленное или коррозировавшее соединение, неисправный вывод на массу, перегоревший предохранитель, расплавившаяся плавкая перемычка или неисправное реле. Визуально проверить состояние всех предохранителей, проводов и соединений в неисправной цепи перед проверкой соответствующих компонентов. Использовать электрические схемы, чтобы определить, какие выводы необходимо проверить для точного определения неисправности.
Для обнаружения неисправности в электрической цепи понадобятся такие инструменты как вольтметр или тестер, омметр (для измерения сопротивления), батарейка и комплект проверочных щупов, соединительные провода, желательно с прерывателем или встроенным предохранителем, которые можно использовать, чтобы обойти подозрительные провода или компоненты. Перед тем, как попытаться установить точное место неисправности, использовать электрическую схему, чтобы определить точные места подсоединения проводов.
Предупреждение!
Ни при каких обстоятельствах не использовать измерительные приборы, такие как омметр, вольтметр или проверочная лампочка для проверки системы подушек безопасности или цепи пиропатрона ремней безопасности. Проверку данных компонентов лучше доверить специалистам, поскольку существует риск непреднамеренной активации систем при несоответствующем выполнении процедуры.
Чтобы определить источник постоянной электрической неисправности (обычно вследствие ненадежного или поврежденного соединения или обмотки проводов), можно выполнить проверку посредством шатания провода, чтобы увидеть останется ли неисправность при его перемещении.
Можно сузить список возможных причин неисправности к отдельному отрезку провода. Данный метод проверки может использоваться вместе с любыми проверками, описанными в следующих подразделах.
Кроме проблем, связанных с ненадежными соединениями, в электрической цепи могут происходить два типа неисправностей: разомкнутый контур и короткое замыкание.
Неисправности, связанные с обрывом цепи не дают току проходить по проводам. Таким образом соответствующий электрический компонент не будет работать, однако при этом соответствующий предохранитель не перегорит.
Короткое замыкание приведет к тому, что ток будет проходить по другой цепи, обычно на массу. Короткое замыкание чаще всего вызвано повреждением обмотки проводов, при этом привод питания будет соприкасаться с другим проводом или с массивной деталью. При коротком замыкании предохранитель скорее всего перегорит.
Чтобы проверить цепь на наличие разомкнутого контура, подсоединить щуп вольтметра либо к отрицательному выводу аккумуляторной батареи, либо к массивной детали.
Подсоединить другой щуп к выводу проверяемой цепи, желательно ближайшему к аккумуляторной батарее или предохранителю.
Затем необходимо подать питание на цепь. Необходимо иметь в виду, что некоторые компоненты будут работать только при перемещении ключа в замке зажигания в определенное положение.
Если в цепи есть напряжение (при использовании проверочной лампочки или вольтметра), значит отрезок цепи между соответствующим выводом и батареей исправен.
Продолжать проверять оставшиеся отрезки цепи тем же способом.
Как только будет обнаружен отрезок цепи, на который не подается питание, значит неисправность находится именно на данном отрезке. В большинстве случаев все проблемы сводятся к поврежденным, корродировавшим или ослабленным соединениям.
Чтобы проверить систему на наличие короткого замыкания прежде всего снять нагрузку с цепи (нагрузка – это все компоненты, которые потребляют электричество, например лампы, моторы, нагревательные элементы).
Извлечь соответствующий предохранитель и подсоединить тестер или вольтметр к выводам предохранителя.
Подавая питание на цепь, необходимо иметь в виду, что некоторые цепи будут работать только при перемещении ключа в замке зажигания в определенное положение.
Если в цепи есть напряжение (при проверке при помощи лампочки или вольтметра), значит в цепи есть короткое замыкание.
Если в цепи нет напряжения, однако предохранитель все равно перегорает при подаче нагрузки, значит один из компонентов цепи неисправен.
Отрицательный вывод аккумуляторной батареи подсоединен к «массе» — металлической детали двигателя/коробки передач и кузова автомобиля. Большинство систем устроены таким образом, что получают питание только от положительного вывода , при этом ток возвращается через металлическую часть кузова. Ослабленные или корродировавшие соединения могут стать причиной неисправности в цепи, начиная от частичной до полной неисправности цепи. В частности, освещение может гореть тускло (особенно если данный контакт в цепи массы используется другой цепью), а моторы могут вращаться медленнее (например, моторы стеклоочистителей или мотор вентилятора радиатора), а работа одной цепи может опосредованно влиять на работу другой цепи.
Необходимо иметь в виду, что на многих автомобилях, ленты массы, который используются между некоторыми компонентами, такими как двигатель/коробка передач и кузов автомобиля, обычно в тех местах, где нет контакта металлических компонентов вследствие использование упругих резиновых элементов.
Чтобы проверить соединение на массу отдельного компонента, отсоединить аккумуляторную батарею и подсоединить щуп омметра к массивной детали. Подсоединить другой вывод к проводу или соединению на массу, которое собираетесь проверить. Сопротивление должно быть нулевым. В противном случае, необходимо проверить соединение следующим образом.
Если контакт в цепи массы неисправен, рассоединить соединение и очистить до металла кузов и вывод провода соответствующего компонента или контактную поверхности вывода массы. Обязательно удалить все следы загрязнений и коррозии, затем использовать нож, чтобы удалить краску, чтобы металлические поверхности выводов соприкасались. При сборке затянуть должным образом элементы крепления соединений.
После подсоединения покрыть выводы техническим вазелином или силиконовой смазкой, чтобы избежать повторного появления коррозии.
Проверка перед проведением технического обслуживания
1. Проверить соответствующие плавкие предохранители и реле.
2. Проверить аккумуляторную батарею на предмет наличия повреждений и уровня зарядки, проверить чистоту поверхности и надежность соединений проводов.
Примечание:
Если ослаблен контакт кабеля «массы» с клеммой аккумулятора, не следует запускать двигатель во избежание повреждения кабеля. Не следует заряжать аккумуляторную батарею при подключенном к отрицательному контакту кабеле во избежание повреждения диода генератора переменного тока.
3. Проверить натяжение приводного ремня.
Правила обращения с разъемами электропроводки
1. Проверить чистоту и надежность соединения разъемов.
2. Убедиться, что во всех местах установлены фиксирующиеся разъемы, которые ослабляются при нажатии на защелку (тип A).
3. Некоторые разъемы оборудованы зажимами фиксации, предназначенными для установки разъемов на кузове автомобиля или других узлах, такие зажимы крепятся на подрезанных фиксаторах.
4. Некоторые разъемы оборудованы двойной блокировкой, при разборке такого разъема необходимо сначала разблокировать его, а затем вытащить штепсель из гнезда (А).
- Неправильно
5. При разъединении разъема не тянуть за провод – удерживая головку разъема, разблокировать его, а затем вытащить штепсель из гнезда (А).
6. Если пластмассовая или резиновая манжета имеет защитное приспособление, обязательно устанавливать его на место после разборки.
7. Перед подключением разъема убедиться, что контакты (B) не деформированы и находятся в заданном положении.
8. Проверить заполнение гнезд некоторых многоконтактных разъемов консистентной смазкой (за исключением влагозащищенных разъемов).
Подготовка к проведению технического обслуживания системы электрооборудования
1.
Проверить прочность установки фиксатора (A) и резинового уплотнения (B).
2. Соединить разъем по прямой линии, проверить прочность фиксации.
3. Закрепить провода в заданном положении хомутом.
4. Аккуратно снять зажим кабеля, не повредить фиксатор зажима (A).
5. Подставить пассатижи (A) под зажим и вставить их в отверстие под некоторым углом, удерживая расширительную пластину и не допуская выпадения зажима.
6. После установки проводного зажима убедиться в том, что он не создает помех функционированию движущихся частей.
7. Прокладывать электропроводку на расстоянии от выхлопной трубы и других нагревающихся частей, острых кромок, мест установки винтов и болтов.
8. При установке резиновой манжеты следить за тем, чтобы она была плотно, без деформации, вставлена в отверстие и зафиксирована в нем (B).
9. Не устанавливать провода и разъемы с растрескавшейся изоляцией. Такие кабели и разъемы необходимо заменить новыми деталями, или обмотать растрескавшееся место изоляционной лентой перед установкой.
10. После установки частей убедиться, что провода электропроводки не оказались зажатыми под или между частями.
11. При выполнении проверки электрооборудования выполнять все инструкции настоящего руководства.
12. Вставлять щуп диагностического прибора в разъем со стороны подводки проводов (за исключением влагозащищенных разъемов).
- Цифровой ампервольтомметр.
- Блок управления.
- Тестовый щуп с коническим концом.*
13. Использовать щупы с коническим концом.
Примечание:
Повреждение изоляции провода приводит к ухудшению электрической проводимости или прерывистому нарушению соединения.
- Резиновое уплотнение.
- Электропроводка.
- Тестовый щуп.
- Разъем.
14. При проверке разъема электронного блока управления вставлять щуп диагностического прибора со стороны подвода проводов до контакта с металлической клеммой.
15. Некоторые разъемы с задней стороны заполнены консистентной смазкой, при обслуживании таких разъемов необходимо добавлять смазку или заменять ее в случае загрязнения.
Поиск и устранение неисправностей системы электрооборудования
Проверка неисправностей
Включить электропитание всех компонентов в отказавшей цепи, проверить признаки отказа соответственно описанию клиента. Не снимать и не тестировать компоненты до точного определения места возникновения неисправности.
Теоретический анализ
Для проверки системы и определения отказавшей цепи необходимо использовать теоретические знания. Начиная от источника электропитания, последовательно проверить все компоненты по направлению движения тока до «массы», определить принцип работы цепи. Если произошел одновременный отказ в нескольких цепях, наиболее вероятными причинами его возникновения являются перегорание плавких предохранителей или пробой на «массу». Анализ причин отказа проводится на основе признаков неисправности и знания принципов функционирования цепей.
Локализация отказа посредством диагностического тестирования цепи
Выполнить диагностику цепи соответственно процедуре 2. Ключевым залогом успешного решения проблем является простота и логика процедуры проверки. Прежде всего, необходимо установить наиболее вероятную причину, которая привела к отказу, затем выполнить детальную диагностику по принципу «от простого – к сложному».
Устранение неисправностей
После того, как неисправность точно определена и подтверждена тестированием, выполнить соответствующий ремонт. В процессе выполнения ремонтных операций применять специально предназначенный ремонтный инструмент и соблюдать правила техники безопасности.
Подтверждение нормального функционирования цепи
Включить отремонтированные устройства во всех предусмотренных режимах функционирования для подтверждения устранения неисправности. Если отказ цепи произошел вследствие перегорания плавкого предохранителя, необходимо проверить все цепи, защищенные данным предохранителем.
В ходе проверки убедиться в отсутствии вновь возникших неисправностей и в устранении установленных неисправностей.
Поиск и устранение неисправностей по кодам диагностики
1. Доставить автомобиль в ремонтные мастерские.
- Зарегистрировать автомобиль для ремонта.
- Помыть автомобиль.
- Зарегистрировать текущее состояние автомобиля.
2. Записать и проанализировать признаки неисправности, указанные владельцем автомобиля.
- Опросить владельца, в чем проявляется отказ, и каким образом он возникает.
3. Подтверждение признаков неисправности и проверка по кодам диагностики.
- Выключить двигатель и измерить электрическое напряжение на выходе аккумулятора.
- Проверить электропроводку, разъемы и плавкие предохранители.
- Запустить двигатель в нормальном режиме, подтвердить признаки неисправностей и условия, при которых они возникают, затем проверить коды диагностики неисправностей.

4. Сверить полученные значения по таблице кодов диагностики или таблице признаков неисправностей.
- Подтвердить результаты проверки, связанные с неисправностью системы и компоненты по таблице кодов диагностики или таблице признаков неисправностей согласно фактическим кодам и проявлениям отказа.
5. Проверка цепи.
- Более подробно проанализировать причины отказа в ходе проверки цепи.
6. Ремонт.
- Выполнить ремонт поврежденной системы или компонентов.
7. Подтверждение.
- Подтвердить устранение неисправности моделированием условий возникновения отказа.
8. Регистрация данных ремонта.
- Документально зафиксировать процедуру и результаты проведенного обслуживания.
Проверка и замена плавких предохранителей
Тип A
- Нормальный.
- Перегоревший.
Тип B
- Нормальный.

- Перегоревший.
Тип C
- Нормальный.
- Перегоревший.
loveavto — Lifan Solano
Техническая документация по ремонту автомобилей Lifan Solano ( все годы выпуска) Бесплатно, без регистрации и СМС
Руководство по ремонту, эксплуатации и техническому обслуживанию Lifan Solano
— полные технические характеристик
-особенности эксплуатации
— устранение неисправностей Lifan Solano
— цветные электросхемы Lifan Solano
Руководство по эксплуатации Lifan Solano
— полные технические характеристики Lifan Solano
— особенности эксплуатации
— устранение неисправностей
— цветные электросхемы
СКАЧАТЬ / СКАЧАТЬ С ЗЕРКАЛА
Руководство по ремонту Lifan Solano в фотографиях
— полные технические характеристики
— особенности эксплуатации Lifan Solano
— устранение неисправностей
в фотографиях своими руками
— более 1980 фотографий процесса ремонта
СКАЧАТЬ / СКАЧАТЬ С ЗЕРКАЛА
Каталог деталей и сборочных единиц Lifan Solano
— таблица взаимозаменяемости деталей автомобилей
— предназначен для работников СТО и владельцев автомобилей Lifan Solano
— каталог деталей Lifan Solano
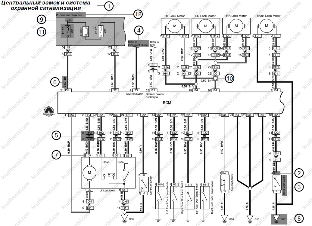
Подробная электросхема Lifan Solano
— полное описание электрооборудования Lifan Solano , подробная интерактивная электрическая схема Lifan Solano
— подробно описан алгоритм поиска неисправностей электрооборудования (стартер, генератор, система зажигания, впрыск, инжектор)
— подробная схема электрооборудования ( электро схема ) Lifan Solano
— распиновка разъемов электрических, распиновка электро проводки Lifan Solano
СКАЧАТЬ / СКАЧАТЬ С ЗЕРКАЛА
Руководство по ремонту двигателя Lifan Solano
— полные технические характеристики двигателя Lifan Solano
— особенности конструкции и ремонта двигателя Lifan Solano
— подробное описание процессов разборки, дефектовки и сборки двигателя с фотографиями, ГРМ
СКАЧАТЬ / СКАЧАТЬ С ЗЕРКАЛА
Руководство по ремонту коробок передач Lifan Solano
— полные технические характеристики КПП
— особенности конструкции и ремонта КПП Lifan Solano
— устранение неисправностей КПП трансмиссия, валы, шестерни, ШРУС
— подробное описание процессов разборки, дефектовки и сборки КПП с фотографиями
СКАЧАТЬ / СКАЧАТЬ С ЗЕРКАЛА
а вот здесь можно заработать на новую машину, и тогда старую не придется ремонтировать!!!
Lifan SolanoLIFAN SOLANO / 620 (Лифан Солано) с 2009 бензин Руководство по ремонту и эксплуатации » AutoSoftos.
com Автомобильный ПОРТАЛ – программы для диагностики, чип-тюнинг, изменение пробега, книги по ремонту авто
Информационно-справочное подробное, с многочисленными цветными иллюстрациями издание инструкция по ремонту Lifan Solano / Lifan 620, а также руководство по эксплуатации и техническому обслуживанию Lifan Solano / Lifan 620, устройство Lifan Solano / Lifan 620 с 2009 г. выпуска, оборудованных бензиновыми двигателями R4 16V рабочим объемом 1,6 л.
Руководство содержит более 3000 оригинальных очень качественных цветных фото с необходимыми к ним пояснениями, подробно демонстрирующими весь процесс пошагового ремонта Lifan Solano / Lifan 620 Solano: изучены ремонтные операции от двигателя до проведения правки кузова машины, полные технические характеристики Lifan Solano / Lifan 620 Solano, перечни неполадок, которые могут произойти и рекомендации по устранению этих повреждений. Также этот мануал поможет автолюбителю подобрать нужные запчасти Lifan Solano / Lifan 620 Solano.
Технология осуществления работ предложена применительно к условиям гаража с указаниями по разборке, сборке, необходимым регулировкам и ремонту узлов и механизмов техники с использованием универсального, широкодоступного для всех инструмента, и лишь в очень редких случаях в книге приведены рекомендации по применению спецоборудования, также имеющегося в открытой продаже.
Операции ремонта на всех участках и в каждом параграфе представлены по принципу возрастания сложности: от простейших операций по регулярному обслуживанию машины, которые придутся очень кстати новичкам, регулировкам узлов и систем Лифан Солано, Лифан 620 Солано и/или замене выходящих из строя деталей, до крупной, полномасштабной, требующей повышенной сосредоточенности починки целых агрегатов.
Содержание настоящего руководства основано на богатейшем опыте высококвалифицированных специалистов , приобретенном в том числе во время полной разборки и сборки Lifan Solano / Lifan 620. Все моменты поиска любой неисправности зафиксированы в уникальных цветных фотографиях.![]()
Установка автосигнализации на Lifan Solano
Точки подключения автосигнализации на Lifan Solano
Автор Александр
Замок зажигания
+12 — белый/зелёный и синий/красный
АСС — жёлтый
Зажигание 1 — жёлтый/чёрный
Зажигание 2 — белый/жёлтый
Концевики дверей (-)
водительская — серый
пассажирская — серый/синий
задняя левая — серый/зеленый
задняя правая — серый/желтый
багажник (-) — серый/фиолетовый.
Это в сером разъеме, на блоке расположенном под магнитолой.
Повороты (+).
коричневый/желтый и красный/желтый в черном разъеме, там же на блоке.
Центральный замок (-)
закрыть — серый/синий
открыть — серый/зеленый
Это с кнопки, расположенной под магнитолой.
Ручник — желтый/черный
Тахометр — белый/черный, потоньше
Это в левом разъеме щитка приборов.
Точки подключения автосигнализации на Lifan Solano 2013
Жгут замка зажигания:
+ 12 — синий и белый/зелёный
стартер — чёрный/жёлтый
зажигание
зажигание 2 (при старте не пропадает) — белый/жёлтый
асс — жёлтый
отпирание центрального замка (-) — белый/жёлтый в оранжевом разъёме кик-панели водителя (жгут из двери водителя)
запирание центрального замка (-) — зелёный/жёлтый в оранжевом разъёме кик-панели водителя (жгут из двери водителя)
Щиток приборов:
тахометр — белый/жёлтый, левый разъём
повороты (+) — красный/жёлтый и коричневый/жёлтый, правый разъём
ручник (-) — жёлтый/чёрный, левый разъём
концевик водительской двери (-) — серый, левый разъём
концевик левой задней двери (-) — серый/зелёный, левый разъём
концевик правой передней двери (-) — серый/синий, левый разъём
концевик правой задней двери (-) — серый/жёлтый, левый разъём
концевик багажника
Добавить комментарий
Предохранители на Лифан Солано: где находятся, замена
Что важнее в автомобиле: красивый внешний вид, комфортный салон или его техническое состояние? Если задать такой вопрос опытному автолюбителю, то, конечно же, на первое место он поставит – исправность, а потом уже удобство и комфорт в салоне.
Ведь именно это обеспечит стабильную работу, убережет его владельца, пассажиров от всех неприятностей, которые могут случиться во время поломки автомобиля при движении.
Современные автомобили, как и Лифан Солано оснащены разными электронными системами, что позволяет эксплуатировать их в различных условиях. Но чтобы система в неподходящий для владельца момент не вышла из строя, стоит всегда заботиться об исправности всех узлов и деталей. И в первую очередь обратить внимание на исправность предохранителей. Только этот элемент сможет защитить систему от перегорания в случае перегрузок, перегрева или по какой-либо другой причине.
Роль предохранителей
Задача, которую выполняют автомобильные предохранители, совершенно простая, но в то же время очень ответственная.
Они защищают цепь электрических соединений от замыкания и перегорания.
Только смена перегоревших предохранителей оберегает электронику от выхода из строя. Но системы различных марок авто оснащается разным типом, видом предохранителей, которые могут располагаться в разных местах.
В Lifan Solano, как и в авто других марок есть узлы, агрегаты, которые чаще всего выходят из строя. Относятся к ним и предохранители. И чтобы не допустить серьезных поломок необходимо их вовремя заменять. Проверить их исправность можно и самостоятельно, но для этого необходимо знать о том, в каком месте они находятся.
Места расположения предохранителей
Предохранители служат защитой для вентиляторов, компрессора кондиционера и других систем от перегорания. Также они располагаются в блоке, который, в свою очередь, можно обнаружить в моторном отсеке.
Схема предохранителей
Как расположены предохранители в салоне
Стоит знать о том, где находятся элементы, а они расположены внизу перчаточного ящика.
Дополнительный блок
В данной таблице указана маркировка предохранителей, за что каждый из них отвечает и номинальное напряжение.
| Маркировка | Защищаемые цепи | Номинальное напряжение |
|---|---|---|
| FS03 | (ЕСМ). | 01.01.1970 |
| FS04 | Главное реле | 25 A |
| FS07 | Сигнал. | 15 A |
| FS08 | Кондиционер. | 10А |
| FS09, FS10 | Высокий и низкий уровень вращения вентилятора. | 35А |
| FS31 | (TCU). | 15А |
| FS32, FS33 | Свет: дальний, ближний. | 15А |
| SB01 | Электрика в салоне. | 60A |
| SB02 | Генератор. | 100A |
| SB03 | Вспомогательный предохранитель. | 60A |
| SB04 | Отопитель. | 40А |
| SB05 | EPS.![]() | 60 A |
| SB08 | ABS. | 25 A |
| SB09 | Гидравлика ABS. | 40 A |
| K03, K04 | Кондиционер, высокий скоростной уровень. | |
| K05, K06 | Регулятор скорости, низкий скоростной уровень вентилятора. | |
| K08 | Отопитель. | |
| K11 | Главное реле. | |
| K12 | Сигнал. | |
| K13 | Бесступенчатая трансмиссия. | |
| K14, K15 | Свет: дальний, ближний. |
| Элементы в салоне | ||
|---|---|---|
| FS01 | Генератор. | 25 A |
| FS02 | (ESCL). | 15 A |
| FS05 | Подогрев сидений. | 15 A |
| FS06 | Насос подачи топлива. | 15 A |
| FS11 | (TCU). | 01.01.1970 |
| FS12 | Лампочка заднего хода.![]() | 01.01.1970 |
| FS13 | Стоп-сигнал. | 01.01.1970 |
| FS14 | ABS. | 01.01.1970 |
| FS15, FS16 | Контроль и управление кондиционером. | 10 A, 5А |
| FS17 | Свет в салоне. | 10А |
| FS18 | Запуск двигателя (PKE/PEPS) (без ключа). | 10А |
| FS19 | Подушки безопасности. | 10А |
| FS20 | Наружные зеркала. | 10А |
| FS21 | Очистители стекол. | 20А |
| FS22 | Прикуриватель. | 15А |
| FS23, FS24 | Выключатель и диагностический разъем проигрывателя и видео. | 5А, 15А |
| FS25 | Подсветки дверей и багажника. | 5А |
| FS26 | В+ВСМ. | 10А |
| FS27 | ВСМ. | 10А |
| FS28 | Центральный замок. | 15А |
| FS29 | Указатель поворотов.![]() | 15А |
| FS30 | Задние противотуманные фары. | 10А |
| FS34 | Габаритные огни. | 10А |
| FS35 | Стеклоподъемники. | 30А |
| FS36, FS37 | В+ комбинирование устройств. | 10А, 5А |
| FS38 | Люк. | 15А |
| SB06 | Раскладывание сидений (задержка срабатывания). | 20А |
| SB07 | Стартер (задержка срабатывания). | 20А |
| SB10 | Обогреватель заднего стекла (задержка срабатывания). | 30А |
Когда может потребоваться заменять предохранителей
При таких неисправностях, как отсутствие света в фарах, выхода из строя электрического оборудования, стоит проверить исправность предохранителя. И если он перегорел, то стоит провести его замену. Необходимо знать о том, что новый элемент должен быть идентичным перегоревшему компоненту. Для этого, прежде всего, для обеспечения безопасности проводимых работ отключаются клеммы от аккумулятора, выключается зажигание, открывается блок предохранителей и пластмассовым пинцетом извлекается, после чего проводится проверка на работоспособность.
Есть много причин, указывающих на то, что эта деталь хоть и небольшая по размерам, но очень важная, так как предохранители защищают все системы, блоки, механизмы от серьезных поломок. Ведь первый удар приходится на них. И, если один из них перегорит, то это может привести к повышению токовой нагрузки в электродвигателе. Поэтому чтобы не допустить подобных ситуаций, следует вовремя их заменять.
Если номинал меньше допустимого элемента, то он не будет выполнять свою задачу и быстро перегорит. Это может произойти и в случае, если его плохо закрепить в гнезде. Перегоревший элемент в одном из блоков сможет вызвать повышенную нагрузку на другой и привести к их неисправности.
Как поступать в случае, если нет уверенности в его исправности
При неуверенности в исправности предохранителя, лучше всего перестраховаться, и поменять его на новый. Но они оба должны полностью совпадать по маркировке и номиналу.
Важно! Специалисты предупреждают о невозможности использования предохранителей большего номинала или каких-либо других подручных средств.
Это может привести к серьезным поломкам, и, как следствие, к дорогостоящему ремонту.
Порой возникают такие ситуации, когда недавно переустановленный элемент сразу же перегорает. В этом случае потребуется помощь специалистов на СТО для устранения неисправностей во всей электросистеме.
В результате следует сказать, что автомобиль Lifan Solano отличается своим ненавязчивым привлекательным дизайном, разнообразным оборудованием, и, что немаловажно, небольшой стоимостью. В салоне машины весьма уютно и комфортно, поэтому водитель и пассажиры никогда не будут ощущаться усталости. Автомобиль оснащен всевозможными устройствами, приспособлениями, что намного облегчает его эксплуатацию.
Хороший уход, своевременная замена предохранителей убережет от внезапных поломок. И, если вдруг пропадает ближний или дальний свет, перестает работать электрическое оборудование, необходимо срочно проверять исправность предохранителя, чтобы не допустить выхода из строя каких-либо важных узловых элементов.
Lifan PDF Скачать руководство по обслуживанию бесплатно
Лифан
Lifan PDF Руководства по ремонту
| Название | Размер файла | Ссылка для скачивания |
| Руководство по эксплуатации Lifan 320.pdf | 11.8Мб | Загрузить |
| Lifan 320, Руководство по ремонту Smily.rar | 79.1Mb | Загрузить |
| Lifan 520 Руководство пользователя.pdf | 1.5Мб | Загрузить |
| Lifan 520,520i, Руководство по ремонту + электрические схемы.rar | 132.9Mb | Загрузить |
| Схема подключения Lifan 720.rar | 35Мб | Загрузить |
| Lifan 720, Руководство по ремонту Cebrium.rar | 75.8Мб | Загрузить |
Руководство по обслуживанию владельцев Lifan Breez. rar | 146.4Мб | Загрузить |
| Каталог запчастей Lifan Breez.pdf | 6.5 Мб | Загрузить |
| Схема электрических соединений Lifan Breez EWD.gif | 410кб | Загрузить |
| Lifan LF200GY-5 Руководство по эксплуатации.pdf | 2.7Мб | Загрузить |
| Lifan LF620 Sedan Instruction Manual.pdf | 3,7 МБ | Загрузить |
| Руководство по эксплуатации Lifan Smily.doc | 44.7Мб | Загрузить |
| Lifan Solano Instruction Manual.pdf | 3,7 МБ | Загрузить |
| Lifan Solano Service Manual.rar | 15.7Мб | Загрузить |
| Lifan X60 Workshop Manual.pdf | 12.2Мб | Загрузить |
Каталоги запчастей Lifan Breez, Smily, Solano. rar | 51.2Мб | Загрузить |
Лифан Компания
Lifan Group — крупная китайская частная компания, специализирующаяся на производстве автомобилей, автобусов, мотоциклов, скутеров, квадроциклов.
Штаб-квартира находится в Чунцине. Компания спонсирует футбольный клуб Chongqing Lifan, выступающий в Суперлиге Китая.
лифан х60
Изначально компания называлась «Центр исследования автомобильных фитингов Chongqing Hongda» и была основана в 1992 году Инь Миншань (китаец Инь Миншань).Изначально она специализировалась на ремонте мотоциклов. Lifan уже стал крупнейшим производителем мотоциклов, когда они начали производить автобусы в 2003 году.
Став пятым по величине производителем мотоциклов в Китае за семнадцать лет, в 1997 году компания была переименована в Lifan Industry Group.
В 2005 году компания приступила к производству автомобилей. Первыми из произведенных автомобилей были минивэн и пикап LF6361 /1010 на базе Daihatsu Atrai 1999 года.
В декабре 2005 года был запущен Lifan 520 / 520i с бразильским двигателем Tritec. В настоящее время модельный ряд Lifan (по состоянию на осень 2012 года) состоит из малолитражки 320, компактного седана и хэтчбека 520 / 520i, небольшого седана 620 и компактного кроссовера X60 .
лифан 320
Lifan Производство
- автомобилей: Lifan 320 (в России — Lifan Smily), Lifan 520 (в России — Lifan Breez), Lifan 530 (в России — Lifan Celliya), Lifan 620/630/650 (в России — Lifan Solano / Solano. NEW / Solano II), Lifan 720 (в РФ — Lifan Cebrium), Lifan X50, Lifan X60
- грузовики
- мотоциклы
| 1 000 ₽ /1. Лифан Солано 620 17:47 | |
| 1200 ₽ /1. Лифан Солано 2012 [70029131] 620 LF481Q3Лифан Солано 620 17:47 | |
500 ₽ Лифан Солано 620 06:42 | |
| 000 | 0009 Lifan Solano 620 06:42 85 |
1 000 ₽ Lifan Solano 620 06:42 15 | |
950 ₽ 300 ₽ 620Lifan Solano 620 6 | |
200 ₽ Лифан Солано 620 LF481 2012Лифан Солано 620 4 5 AutoSam22 | |
150 ₽ Лифан 3 Лифан Солано 6202AutoSam22 | |
150 ₽ Лифан Солано 620 LF481Лифан Солано 620 4 2 AutoSam22 | |
2500 ₽ Лифан Солано 620 LF481 2012Лифан Солано 620 4 6 6 | |
100 ₽ Лифан Солано 620 LF481 2012Лифан Солано 620 4 2 AutoSam22 | |
100 Solano | 100 620 4 5 AutoSam22 |
100 ₽ Лифан Солано 620 LF481 2012Лифан Солано 620 4 1 82 AutoSam82 Лифан Солано 620 LF481 2012Лифан Солано 620 4 1 AutoSam22 | |
2500 ₽ Лифан Солано 620 LF481 2012Автомобиль Лифан Солано 620 | |
200 ₽ Lifan Solano 620 LF481 2012Lifan S олано 620 4 7 AutoSam22 | |
150 ₽ Лифан Солано 620 LF481Лифан Солано 620 4 2 1 52 9002 52 9002 EFI Lifan Solano 620 LF481 2012Lifan Solano 620 4 44 AutoSam22 | |
5000 ₽ 300 ₽ Solano 300 ₽ Lifan Solano 620 12 | |
| 100 ₽ 350 ₽ Лифан СоланоЛифан Солано 620 2 27 РазборТойота | |
1000 ₽ 350 ₽ Лифан СоланоЛифан Солано 620 17 2020 1 ProkAuto42 | |
| 2500 ₽ /1. Лифан Солано 620 17:47 | |
| 2 000 ₽ /1. Лифан Солано 2012 [70029131] 620 LF481Q3Лифан Солано 620 17:46 | |
| 3400 ₽ /1. Лифан Солано 2012 [BAE3612100A5] 620 LF481Q3Лифан Солано 620 17:46 | |
950 ₽ /1. 200 ₽ . Лифан Солано,Лифан Солано 620 6 PARTLAND154 | |
1805 ₽ /1. 1900 ₽ /1.200 ₽ efi Lifan SolanoLifan Solano 620 6 PARTLAND154 | |
300 ₽ /1. 250 ₽ Lifan Solana 2013 X9W214814 LFB479Q,Lifan Solano 620 18:08 | |
1000 ₽ /1. 250 ₽ Лифан Солана 2008 [B3746120],Лифан Солано 620 18:08 | |
300 ₽ /1. 250 ₽ Lifan Solana 2013 X9W214814 LFB479Q,Lifan Solano 620 18:07 | |
300 ₽ /1. 250 ₽ Lifan Solana 2013 X9W214814 LFB479Q,Lifan Solano 620 18:07 | |
8000 ₽ /1. 250 ₽ Lifan Solana 2013 [BDA3612100] X9W214814 LFB479QLifan Solano 620 18:07 | |
2500 ₽ /1. |
Lifan СТО Ремонт | Инструкции по эксплуатации (100% бесплатно)
Как найти мастерскую Lifan или руководство пользователя
У нас есть 45 бесплатных PDF-файлов на 19 автомобилях Lifan.Чтобы сузить область поиска, воспользуйтесь раскрывающимся списком выше или выберите один из доступных автомобили в списке ниже.
Наши руководства по ремонту Lifan Automotive разделены на пять широких категорий;
Руководства по ремонту Lifan, Руководства по эксплуатации Lifan,
Электрические схемы Lifan, рекламные брошюры Lifan и общие сведения
Разные загрузки Lifan.
Автомобили с наибольшим количеством документов — Другая модель, X60 и X50. У этих автомобилей есть большая часть наших PDF-файлов для этого производителя, 45 между ними тремя. Самыми посещаемыми и загружаемыми автомобилями из линейки Lifan являются Другая модель. и X60
Бесплатные руководства для Lifan Haynes / Lifan Chilton?
К нам приходит много людей, которые хотят получить бесплатное руководство по Lifan Haynes.Вам нужно знать две вещи; во-первых, это незаконно, а во-вторых — есть намного лучше
способы обслуживания и понимания вашего двигателя Lifan, чем руководство Haynes.
По сути, мы здесь для того, чтобы дать вам альтернативу Хейнсу и Чилтону,
онлайн и совершенно бесплатно.
Как бесплатно загрузить руководство по ремонту, обслуживанию или эксплуатации Lifan
Нажмите на свой автомобиль Lifan ниже, например Другая модель.На следующей странице выберите конкретный PDF-файл, к которому вы хотите получить доступ. Для большинства автомобилей это означает фильтрацию через различные модели двигателей и проблемы, связанные с конкретным автомобилем.
После этого вам будут показаны первые 10 страниц руководства, прокрутите вниз и нажмите «показать полный PDF-файл». Затем вы можете нажать кнопку «Скачать», и у вас будет совершенно бесплатное руководство по эксплуатации автомобиля, навсегда!
Показать ещё Показать меньше .



com Автомобильный ПОРТАЛ – программы для диагностики, чип-тюнинг, изменение пробега, книги по ремонту авто


Это может привести к серьезным поломкам, и, как следствие, к дорогостоящему ремонту.
rar
rar


