Схемы электрооборудования BMW 5 (E34). Общая информация, описание, схемы, фото
- Руководства по ремонту
- Руководство по ремонту БМВ 5 1987-1995 г.в.
- Схемы электрооборудования
1. Использование схем
2. Обозначения на схемах
3. Обозначения на схемах
4.
5. Обозначения на схемах
6.
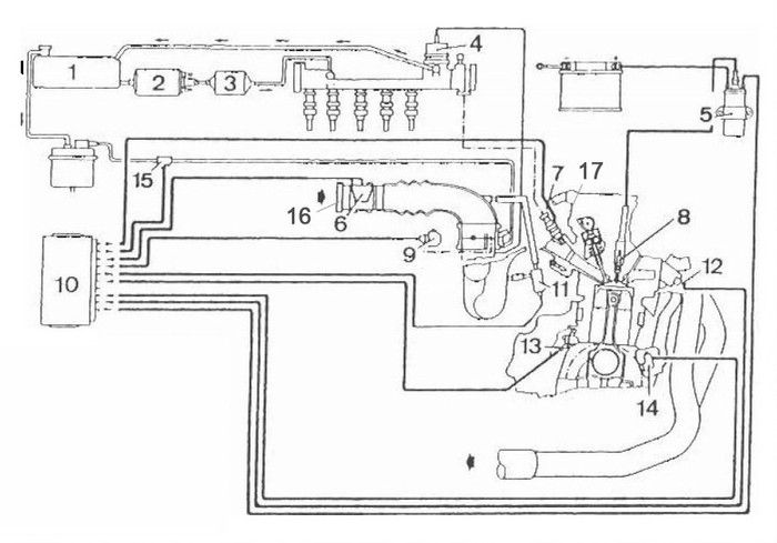
7. Система предпускового разогрева
8.
9. Генератор
10.
11. Генератор
12.
13. Стартер
14.
15. Стартер
16.
17. Стартер
18.
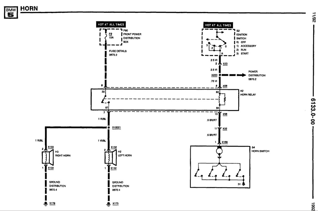
19. Звуковой сигнал
20.
21. Электрическое управление зеркалами заднего вида
22.
23. Электрическое управление зеркалами заднего вида
24.
25. Очиститель и омыватель ветрового стекла
26.
27. Электрическое управление зеркалами заднего вида
28.
29. Очиститель и омыватель ветрового стекла
30.
31. Переключатель наружного освещения
32.
33. Переключатель наружного освещения
34.
35. Переключатель наружного освещения
36.
37. Переключатель наружного освещения
38.
41. Фары/противотуманные фары
42.
43. Фары/противотуманные фары
44.
45. Фары/противотуманные фары
46.
47. Фары/противотуманные фары
48.
49. Фары/противотуманные фары
50.
51. Указатели поворота/аварийная сингнализация
52.
53. Указатели поворота/аварийная сингнализация
54.
55. Указатели поворота/аварийная сингнализация
56.
57. Стояночный свет/габаритные огни/освещение моторного отсека
58.
59. Стояночный свет/габаритные огни/освещение моторного отсека
60.
61. Освещение номерного знака/багажника
62.
63. Освещение номерного знака/багажника
64.67. Фонари заднего хода
68.
69. Стоп-сигналы
70.
71. Салон
72.
73. Аудиосистема
74.
75. Аудиосистема
Скачать информацию со страницы
↓ Комментарии ↓
1. Двигатель
1.0 Двигатель
1.1 М20 (520i, 525i до апреля 1990 г.)
1.2 М50 (520i, 525i с мая 1990 г.)
1.3 М30 (530i, 535i до августа 1992 г.)
1.4 М21 (524td до августа 1990 г.)
1.5 М51 (525td/tds с сентября 1990 г.)
1.6 Основные технические характеристики двигателей
1.7. Снятие и установка двигателя
1.8. М30. Снятие и установка.
1.9. М21. Снятие и установка.
1.10. Двигатель М20. Снятие и установка.
1.11. Снятие и установка крышки головки цилиндров
1.12. Снятие и установка головки цилиндров
1.17. Привод клапанов
1.25. Двигатель моделей 518i выпуска с января 1993 г (4 цилиндра, М40)
1.26. и установка головки цилиндров.
1.27. установка и натяжение приводного ремня генератора.
1.28. установка и натяжение приводного ремня генератора. Двигатель М50 (модели 520i, 525i с мая 1990 г.)
2.
Система зажигания
2.0 Система зажигания
2.1. Принцип действие параметрической системы
2.2 Проверка угла опережения зажигания
2.3. Снятие и установка крышки/ ротора распределителя
2.4 Проверка катушки зажигания
2.5. Проверка и замена проводов высокого напряжения
2.6 Технические данные системы зажигания DME
3. Свечи зажигания
3.0 Свечи зажигания 3.1 Определение неисправностей системы зажигания
4. Смазочная система двигателя
4.0 Смазочная система двигателя
4.1 Проверка давления масла
4.2. Снятие и установка масляного поддона
4.3. и установка масляного насоса. Двигатели М20, М30, М50
4.4 Определение неисправностей смазочной системы
5. Система охлаждения двигателя
5.0 Система охлаждения двигателя
5.1 Циркуляция охлаждающей жидкости
5.2. Снятие, проверка и установка термостата
5.3. Снятие и установка вентилятора и вискомуфты
5.4. Снятие и установка радиатора
5.5. Снятие и установка водяного насоса
5.6 Антифризы
5.7 Определение неисправностей системы охлаждения
6.
Система питания
6.0 Система питания
6.1 Меры предосторожности при работе с системой питания
6.2 Проверка реле включения топливного насоса
6.3 производительности топливного насоса. Бензиновые двигатели
6.4 уровня топлива/топливный насос. Двигатели М20 и МЗО
6.5 Двигатель М21
6.6. Снятие, проверка и установка датчика уровня топлива
6.7. Снятие и установка топливного насоса
6.8. и установка воздухоочистителя/измерителя расхода воздуха. Модели 520i/525i
6.9. и установка воздухоочистителя/измерителя расхода воздуха. Модель 524td
7. Система впрыска топлива — бензиновые двигатели
7.0 Система впрыска топлива — бензиновые двигатели
7.1 Правила соблюдения чистоты при работе с системой впрыска
7.2 Меры предосторожности при работе с системой впрыска
7.3 Регистратор неисправностей
7.4 Проверка частоты оборотов холостого хода и содержания СО в отработавших газах
7.5. Регулировка троса привода дроссельной заслонки
7.6. Проверка, снятие и установка регулятора холостого хода
7.
7. Проверка, снятие и установка датчика температуры охлаждающей жидкости
7.8. проверка и установка клапана продувки адсорбера. Двигатели М20 и М20
7.9 Технические данные системы впрыска бензиновых двигателей (DME)
8. Система впрыска топлива — дизельные двигатели
8.0 Система впрыска топлива — дизельные двигатели
8.1 Коды неисправностей дизельной системы впрыска
8.2 Удаление воздуха из системы питания
8.3. Проверка, снятие и установка запорного клапана
8.4. Снятие и установка форсунок
8.5 Система подогрева топливного фильтра
8.6 Проверка угла начала впрыска
8.7 Технические данные системы впрыска дизельных двигателей
8.8 Определение неисправностей системы впрыска дизельных двигателей
9. Система выпуска отработавших газов
9.0 Система выпуска отработавших газов
9.1 Модель 524td
9.2 Модели 520i/525i
9.3. Снятие и установка выпускной системы
9.4. Снятие и установка лямбда-зонда
9.5 Автомобили с каталитическим нейтрализатором
9.6 Эксплуатация автомобилей с каталитическим нейтрализатором
9.
10. Сцепление
10.0 Сцепление
10.1. Снятие, проверка и установка сцепления
10.2 Удаление воздуха из гидравлического привода выключения сцепления
10.3. Снятие и установка подшипника выключения сцепления
10.4. Снятие и установка рабочего цилиндра привода выключения сцепления
10.5 Определение неисправностей сцепления
11. Коробка передач
11.0 Коробка передач
11.1. Снятие и установка коробки передач
11.2. Снятие и установка карданного вала
12. Привод переключения передач
12.0 Привод переключения передач
12.1. Снятие и установка рычага переключения передач
13. Автоматическая коробка передач
13.0 Автоматическая коробка передач
13.1 Буксировка автомобилей с автоматической коробкой передач
13.2 Амортизационная стойка
13.3. Снятие и установка амортизационной стойки
13.4. Разборка амортизационной стойки (снятие и установка амортизатора и винтовой пружины)
13.5 Проверка амортизатора
13.6. Снятие и установка подшипника передней ступицы
14.
Задняя подвеска
14.0 Задняя подвеска
14.1. Снятие и установка задних амортизационных стоек
14.2 Приводные валы
14.3. Снятие и установка приводного вала
14.4. Замена защитного чехла шарнира равных угловых скоростей
15. Рулевое управление
15.0 Рулевое управление
15.1. Снятие и установка рулевого колеса
15.2 Рулевые тяги
15.3. Снятие и установка наконечника рулевой тяги
15.4. Замена средней тяги
15.5 Регулировка схождения передних колес
15.6 Коррекция развала
15.7 Устранение вибраций рулевого колеса и передка автомобиля
16. Углы установки колес
16.0 Углы установки колес
16.1 Схождение, развал, поперечный и продольный наклон оси поворота
16.2 Условия проверки углов установки передних колес
17. Тормозная система
17.0 Тормозная система
17.1 Дисковый тормозной механизм
17.2. Снятие и установка тормозных колодок передних дисковых тормозных механизмов
17.3. Снятие и установка переднего суппорта и тормозного диска
17.4. Снятие и установка тормозных колодок задних дисковых тормозных механизмов
17.
5. Снятие и установка заднего суппорта
17.6. Снятие и установка заднего тормозного диска
17.7 Проверка толщины тормозного диска
17.8 Устранение скрипа дисковых тормозов
17.9 Тормозная жидкость
17.14. Снятие и установка тормозных колодок стояночного тормоза
17.16. Снятие и установка рычага стояночного тормоза
17.17. Снятие и установка троса привода стояночного тормоза
17.18. Проверка и замена выключателя стоп-сигналов
18. Колеса и шины
18.0 Колеса и шины
18.1 Размеры шин и дисков колес
18.2 Маркировка дисков колес
18.3 Давление в шинах
18.4 Маркировка шин
18.5. Правила обращения с шинами
18.6 Обкатка шин
18.7 Балансировка колес
18.8 Цепи противоскольжения
18.9 Движение с поврежденными шинами
19. Кузов
19.0 Кузов
19.1 Передний бампер
19.2. Снятие и установка переднего бампера
19.3. Снятие, проверка и установка переднего энергопоглощающего буфера
19.4 Задний бампер
19.5. Снятие и установка заднего бампера
19.6. Снятие, проверка и установка заднего энергопоглощающего буфера
19.
7. Снятие и установка передней декоративной решетки
19.8. Снятие и установка переднего крыла
19.9. Снятие и установка капота
19.10. Регулировка положения капота
19.11. Снятие и установка троса привода замка капота
19.12. Снятие, установка и регулировка крышки багажника
19.13. Снятие и установка замка крышки багажника и цилиндра замка
19.14. Замена молдингов, декоративных накладок и таблички с номером модели
19.15. Снятие, установка и регулировка двери
19.16. Снятие и установка обивки двери
19.18. Снятие и установка наружной ручки двери и цилиндра замка
19.19. Снятие и установка замка двери
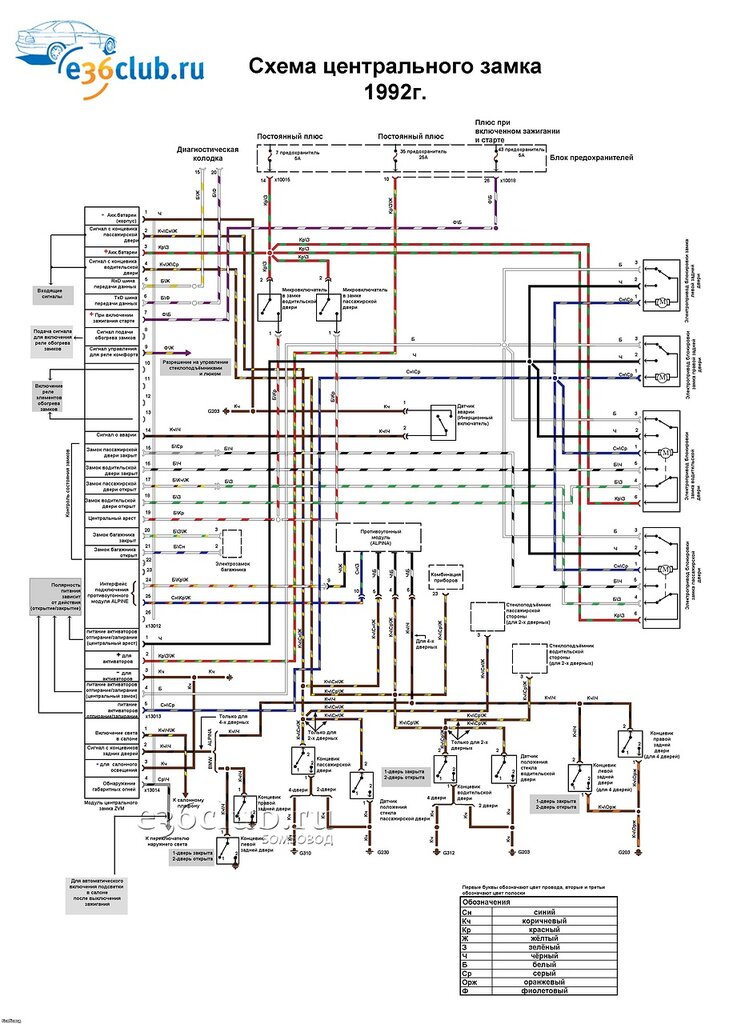
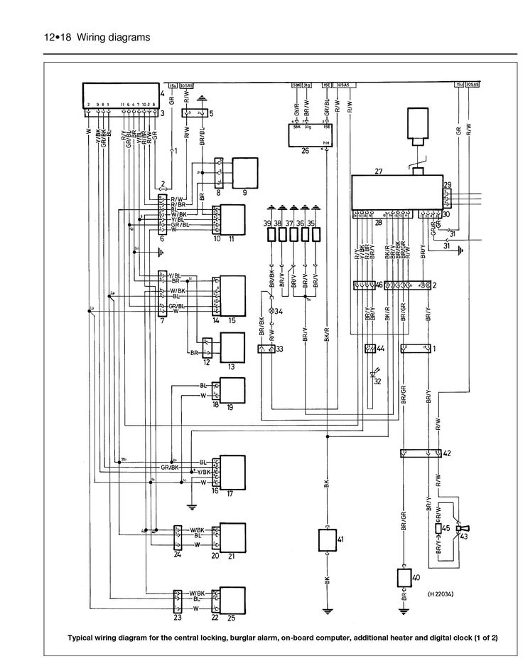
19.20. Снятие и установка моторедуктора механизма центральной блокировки замка
19.21. Снятие и установка стеклоподъемника и регулировка стекла
19.22. Снятие и установка стекла двери и уплотнителя стекла
19.23. Снятие и установка наружного зеркала заднего вида
19.24. Снятие и установка стекла зеркала
19.26. Снятие и установка консоли и полки под панелью приборов
19.27. Снятие и установка вещевого ящика
19.
28. Снятие и установка моторедуктора люка крыши
19.29. Снятие и установка переднего сиденья
19.30. Снятие и установка заднего сиденья
20. Отопление и вентиляция
20.0 Отопление и вентиляция
20.1. Снятие и установка вентилятора отопителя
20.2. Снятие, проверка и установка резисторов вентилятора отопителя
20.3. Снятие и установка панели управления отопителем
20.4. Снятие и установка тросов управления отопителем
20.5 Определение неисправностей отопителя
21. Электрооборудование
21.0 Электрооборудование
21.1 Измерительные приборы
21.2. Техника измерений
21.3 Установка дополнительного электрооборудования
21.4. Управляющая электроника и электрические разъемы
21.5. Снятие и установка аккумуляторной батареи
21.6 Необслуживаемые батареи
21.7 Заряд батареи
21.8. Проверка батареи
21.9 Поиск утечек тока
21.12. Предохранители и реле
21.15. Снятие и установка генератора
21.16. Двигатель М50
21.17. Проверка и замена щеток и регулятора напряжения
21.20. Снятие и установка стартера
21.
21. Проверка, снятие и установка тягового реле
22. Освещение и световая сигнализация
22.0 Освещение и световая сигнализация
22.1. Замена ламп
22.2 Таблица ламп
22.3. Снятие и установка фар ближнего и дальнего света
22.4 Регулировка света фар
22.5. Снятие и установка передних указателей поворота
22.6. Снятие и установка противотуманных фар
22.7. Снятие и установка задних комбинированных фонарей
23. Приборы
23.0 Приборы
23.1. Снятие и установка комбинации приборов
23.2. Снятие и установка контрольных ламп
23.3. Снятие и установка контрольно-измерительных приборов
23.4. Снятие и установка подрулевых переключателей
23.5. Снятие и установка переключателя наружного освещения/регулятора яркости подсветки приборов
23.6. Снятие и установка звуковых сигналов
23.7. Снятие и установка цилиндра замка и выключателя зажигания
23.8. Снятие и установка радиоприемника (магнитолы)
23.9 Ввод кода в магнитолу
23.10. Снятие и установка громкоговорителей
24. Очиститель и омыватель ветрового стекла
24.
0 Очиститель и омыватель ветрового стекла
24.1. Замена резиновых элементов щеток очистителя ветрового стекла
24.2. Регулировка, снятие и установка форсунок омывателя ветрового стекла
24.3. Проверка и замена насоса омывателя ветрового стекла
24.4 Очиститель ветрового стекла
24.5. Снятие и установка очистителя ветрового стекла
24.6 Определение причин плохой очистки стекла
24.7 Мойка автомобиля
24.8 Уход за лакокрасочным покрытием
24.9 Защита днища кузова и скрытых полостей
25. Инструменты и приспособления
25.0 Инструменты и приспособления
26. План технического обслуживания BMW 5-й серии
26.0 План технического обслуживания BMW 5-й серии
26.1 Ежегодное обслуживание с заменой масла
26.2 Техническое обслуживание
27. Выполнение работ по техническому обслуживанию
27.0 Выполнение работ по техническому обслуживанию
27.1 Двигатель и система выпуска отработавших газов
27.2. Проверка и регулировка зазоров в клапанах
27.3. Замена масла в двигателе
27.
4 Определение места утечки масла
27.5 Проверка уровня масла
27.6 Проверка уровня охлаждающей жидкости
27.7. Замена охлаждающей жидкости
27.8 Проверка герметичности системы охлаждения
27.9 Проверка плотности охлаждающей жидкости
27.10. Проверка компрессии
27.11. Замена свечей зажигания и проверка проводов высокого напряжения
27.12. Замена фильтрующего элемента воздухоочистителя
27.13. Замена топливного фильтра/удаление отстоя
27.14. Проверка клиновых ремней, проверка натяжения и замена зубчатого ремня
27.16. Проверка и замена лямбда-зонда
27.20. Проверка уровня масла/замена масла в автоматической коробке передач
27.40. Проверка аккумуляторной батареи
27.41. Кузов и оборудование салона
28. Схемы электрооборудования
28.0 Схемы электрооборудования
28.1 Использование схем
28.2 Обозначения на схемах
28.3 Обозначения на схемах
28.4 Обозначения на приборах
28.5 Обозначения на схемах
28.6 Обозначение на приборах
28.7 Система предпускового разогрева
28.8 Система предпускового разовгрева
28.
9 Генератор
29. Компоненты салона
29.0 Руководство по эксплуатации автомобилей BMW 5 серии 518i/520i/525i/530i/540i/524td/525tds
29.1 Рычаг регулировки рулевой колонки
29.2 Ключи
29.3 Сиденья
29.4 Лампочки в крышке багажника
29.5. Лампы
Предохранители БМВ Е34, 1987 — 1995
02.12.2020
Содержание
- В салоне
- В моторном отсеке
- Блок предохранителей
- High версия
- Low версия
- Блоки реле
- Блок предохранителей
Большинство цепей питания электрооборудования немецкого седана защищено предохранителями. Фары, электродвигатели вентиляторов, топливный насос и другие мощные потребители тока подключены через реле. Защитные элементы установлены в монтажных блоках, которые находятся в подкапотном пространстве и салоне.
Рассмотрены схемы БМВ 5 серии (518i, 520i, 524td, 525i, 525tds, 530i, 535i, 540i, M5) 3-го поколения в кузове е34 1987, 1988, 1989, 1990, 1991, 1992, 1993, 1994, 1995 года выпуска.
В салоне
Монтажный блок расположен под задним пассажирским сиденьем. Имеет две вариации: low и high.
Общий вид.
| Схема предохранителей в салонном блоке БМВ е34 | ||
|---|---|---|
| Версия Hight | ||
| № | Расшифровка | |
| 33, 34 | Противоугонная система | |
| 32, 37 | Двойная подъемно-сдвижная крышка люка | |
| 32, 37 | Электро стеклоподъемники | |
| 44 | Задний стеклоочиститель | |
| 35 | Обогрев заднего стекла | |
| 32, 37 | Освещение салона | |
| 30 | Задние подголовники | |
| 41 | Электропривод рулевой колонки | |
| 36 | Радио | |
| 34 | Передний стеклоочиститель | |
| 42 | Регулировка положения сиденья водителя | |
| 43 | Регулировка положения сиденья пассажира | |
| 44 | Доводчики дверей | |
| 31 | Солнцезащитная шторка | |
| 40 | Телефон | |
| 37 | Обогрев замков дверей | |
| 32, 33, 34, 37 | Центральный замок | |
| Версия Low | ||
| № | Описание | |
| 33, 34 | Противоугонная система | |
| 32, 37 | Двойная подъемно-сдвижная крышка люка | |
| 32, 37 | Электростеклоподъемники | |
| 44 | Задний стеклоочиститель | |
| 35 | Обогрев заднего стекла | |
| 32, 37 | Освещение салона | |
| 30 | Задние подголовники | |
| 41 | Электропривод рулевой колонки | |
| 36 | Радио | |
| 34 | Передний стеклоочиститель | |
| 42 | Регулировка положения сиденья водителя | |
| 43 | Регулировка положения сиденья пассажира | |
| 44 | Доводчики дверей | |
| 31 | Солнцезащитная шторка | |
| 40 | Телефон | |
| 37 | Обогрев замков дверей | |
| 32, 33, 34, 37 | Центральный замок | |
| № | Назначение реле | |
| K30 | Включение внутреннего освещения | |
| K29 | TSH | |
| K13 | HHS | |
| A40 | Блок управления очистителями и омывателями | |
| A30 | Блок управления центральной блокировкой замков | |
В моторном отсеке
Блок предохранителей
Находится в левой области подкапотного пространства.
Также имеет две вариации: low и high.
High версия
Общий вид high версии.
| Схема элементов Higt версии блока моторного отсека | ||
|---|---|---|
| № | Расшифровка | Ток, А |
| 1 | Выключатель стоп-сигналов, схема контроля тормозной системы, АБС. тахометр, модуль освещения, Tempo mat | 15 |
| 2 | Предохранитель переключателя наружного освещения (контакт 56), модуль дальнего света фар bmw 525. | 7,5 |
| 3 | Выключатель противотуманных фар. модуль освещения (реле включения противотуманных фар), переключатель указателей поворота, выключатель сигнализации дальним светом фар | 7,5 |
| 4 | Модуль освещения (стояночный и габаритный огонь слева) | 7,5 |
| 5 | Модуль освещения (стояночный и габаритный огонь справа, фонари освещения номерного знака), затенение внутреннего зеркала заднего вида, подсветка прикуривателя, коробки для кассет, зеркала, выключателя обогревателя сиденья и переключателя привода поясничного упора | 10 |
| 6 | Указатели поворота и аварийная сигнализация | 7,5 |
| 7 | Противотуманные фары | 15 |
| 8 | Правый и левый противотуманные огни | 7,5 |
| 9 | Реле включения звуковых сигналов, блок управления компрессором кондиционера дополнительный водяной насос системы кондиционирования | 15 |
| 10 | Левая фара ближнего света | 7,5 |
| 11 | Правая фара ближнего света | 7,5 |
| 12 | Подогреватель форсунок омывателя. выключатель фонарей заднего хода, регулировка наружных зеркал заднего вида (переключатель) | 15 |
| 13 | Левая фара дальнего света | 7,5 |
| 14 | Правая фара дальнего света | 7,5 |
| 15 | Реле включения стеклоочистителя, бортовой компьютер, стояночный обогрев | 7,5 |
| 16 | Обогреватель переднего сиденья привод поясничного упор» | 30 |
| 17 | Комбинация приборов (контрольная лампа разряда батареи, контрольные лампы, основной модуль), бортовой компьютер, указатель передач | 7,5 |
| 18 | Радиоприемник (антенный усилитель), инфракрасный модуль, привод регулировки сидений, радиотелефон | 15 |
| 19 | Вентилятор отопителя | 30 |
| 20 | Комбинация приборов, бортовой компьютер, таймер, стояночный обогрев, обогреватель | 7,5 |
| 21 | Освещение салона, багажника, вещевого ящика; разъем заряда батареи | 30 |
| 22 | Регулятор прижима щеток очистителя ветрового стекла, система очистки ветрового стекла | 30 |
| 23 | Топливный модуль (предохранитель бензонасоса) | 7,5 |
| 24 | Система регулирования температуры в салоне | 15 |
| 25 | Дополнительный вентилятор (скорости 1 и 2) | 30 |
| 26 | Предохранитель прикуривателя е34 | 30 |
| 27 | Электромагнитный клапан отопителя, аудиосистема Hi-Fi с усилителем мощности | 30 |
| 28 | Система Servotronic | 15 |
| 29 | Компрессор кондиционера, реле включения дополнительного вентилятора, блок управления системы АБС | 7,5 |
| № | Назначение реле | |
| К1 | Отсутствует при ручной коробке передач (контакты 30 и 87 замкнуты) | |
| К1 | Блокировка стартера (при АКПП) | |
| К2 | Звуковые сигналы | |
| КЗ | Снятие напряжения с контакта R | |
| К4 | Вентилятор отопителя/стояночный обогрев | |
| К5 | Интенсивная очистка/насос омывателя | |
| К8 | Дополнительный водяной насос | |
| К9 | Снятие напряжения с контакта 15 | |
| К10 | Защита от перегрузки системы ABS/ASC | |
| К16 | Прерыватель аварийной сигнализации | |
| К31 | Включение прикуривателя (или замкнуты контакты 30 и 87) | |
| N17 | Блок контроля аварии | |
| N6 | Блок управления омывателем фар | |
| K22 | Дополнительный вентилятор охлаждения, скорость 2 | |
| K21 | Дополнительный вентилятор охлаждения, скорость 1 | |
| K33 | Компрессор кондиционера | |
Low версия
Фото — пример.
| Схема | ||
|---|---|---|
| № | Расшифровка предохранителей | Ток, А |
| 1 | Выключатель стоп-сигналов схема контроля тормозной системы, блок управления системы Tempo mat, выключатель Tempo mat | 15 |
| 2 | Освещение (реле включения ближнего и дальнего света фар) | 7,5 |
| 3 | Освещение (реле включения противотуманных фар. реле включения задних противотуманных огней, выключатель указателей поворота, выключатель сигнализации дальним светом фар | 7,5 |
| 4 | Освещение (стояночный и габаритный огонь слева) | 7,5 |
| 5 | Освещение (стояночный и габаритный огонь справа, фонари освещения номерного знака), подсветка прикуривателя, радиоприемник, освещение моторного отсека, выключатель аварийной сигнализации | 10 |
| 6 | Аварийная сигнализация | 7,5 |
| 7 | ПТФ | 15 |
| 8 | Правый и левый противотуманные огни | 7,5 |
| 9 | Звуковые сигналы, блок управления компрессором кондиционера, дополнительный водяной насос системы кондиционирования | 15 |
| 10 | Левая фара ближнего света | 7,5 |
| 11 | Правая фара ближнего света | 7,5 |
| 12 | Обогреватель форсунок омывателя, выключатель фонарей заднего хода регулировка зеркал (переключатель) | 15 |
| 13 | Левая фара дальнего света | 7,5 |
| 14 | Правая фара дальнего света | 7,5 |
| 15 | Реле включения стеклоочистителя, модуль освещения RA 15 | 7,5 |
| 16 | Обогреватель переднего сиденья, привод поясничного упора | 30 |
| 17 | Комбинация приборов (контрольная лампа разряда батареи, контрольные лампы, основной модуль). бортовой компьютер, указатель передач | 7,5 |
| 18 | Инфракрасный модуль, привод регулировки сидений, выбрасыватель ремней, центральная блокировка замков, радиоприемник, радиотелефон | 15 |
| 19 | Вентилятор отопителя e34 | 30 |
| 20 | Комбинация приборов, бортовой компьютер, цифровые часы, таймер | 7,5 |
| 21 | Освещение салона, багажника вещевого ящика, разъем заряда батареи | 30 |
| 22 | Электродвигатель очистителя ветрового стекла (режимы 1 и 2). регулятор прижима щеток (только для моделей с системой очистки высокого давления) | 30 |
| 23 | Топливный модуль (предохранитель бензонасоса) | 7,5 |
| 24 | Насос омывателя, блок управления очистителем/омывателем. реле включения электродвигателя стеклоочистителя | 15 |
| 25 | Дополнительный вентилятор (скорости 1 и 2) | 30 |
| 26 | Предохранитель прикуривателя | 30 |
| 27 | Электромагнитный клапан отопителя, аудиосистема Hi-Fi с усилителем мощности | 30 |
| 28 | Система Servotronic | 15 |
| 29 | Реле включения обогревателя заднего стекла, блок управления компрессором кондиционера, реле дополнительного вентилятора. блок управления системы ABS | 7,5 |
| № | Назначение реле | |
| К2 | Гудок бмв е34 | |
| КЗ | Снятие напряжения с контакта R | |
| К4 | Вентилятор отопителя/стояночный обогрев | |
| К5 | Интенсивная очистка/насос омывателя | |
| N6 | Модуль SRA/Омыватель фар | |
| К8 | Реле дополнительный водяной насос bmw e34 | |
| К9 | Снятие напряжения с контакта 15 | |
| К10 | Защита от перегрузки системы АБС/ASC | |
| К16 | Реле прерыватель аварийной сигнализации 30/30 | |
| К18 | Развязка кондиционер * Motronic | |
| К19 | Компрессор кондиционера | |
| К21 | Включение 1/2 скорости дополнительного вентилятора | |
| К22 | ||
| К48 | Реле включение ближнего света фар | |
| К46 | Включение дальнего света фар | |
| К47 | Включение ПТФ | |
| К49 | Включение противотуманных огней | |
| U4 | Датчик противоугонной сигнализации | |
Блоки реле
Описание дополнительных панелей с реле.
| Первый блок находится в левом углу моторного отсека | |
| № | Описание |
| 1 | Блок управления очисткой головных / противотуманных фар |
| 2 | Реле управления вентилятором – высокая скорость вращения |
| 3 | Реле управления вентилятором – низкая скорость вращения |
| 4 | Сигнал телефона |
| 5 | Кондиционер |
| Второй блок реле (в правом ближнем углу) | |
| № | Назначение |
| 1 | Модуль АБС или ASC |
| 2 | Motronic |
| 3 | Круиз-контроль |
| 5 | Системное (основное) реле |
| 4 | Бензонасос |
| 6 | Подогрев датчика кислорода (лямбда-зонда) |
Материалы по теме
5 серия e12, e28, e34
- Магазин
- Автомобили BMW
- Серии 3, 5, 6 и 7
- Альфа-Ромео
- Пауки
- Другие Альфы
- Остин Хили
- Автомобили БМВ
- 1600, 2002
- E3 Бавария и E9 купе
- 3, 5, 6 и 7 серии
- 3 серия е21, е30, е36
- 5 серия е12, е28, е34
- 6 серия е24
- 7 серия е23, е32
- З3 Е36/7, Е36/8
- Мотоциклы БМВ
- Мотоциклы R, 1960-е и 1970-е годы
- R Bikes 1980-х и 1990-х (два клапана)
- К100 и К75
- К1100 и К1200
- Р1100, Р1150, Р1200
- Шевроле
- Шеви Камаро
- Шеви Корвейр
- Шеви Корвет
- Грузовики Шевроле
- Датсун
- Дукати
- Форд
- Мустанг
- Грузовики серии F
- Бронко Серия U
- Харли-Девидсон
- HD Флорида
- HD эффекты
- HD XL
- Хонда
- Хадсон
- Ягуар
- Джип
- Чероки, Вагонир и другие
- CJ5 и CJ7, Рэнглер
- Land Rover
- ЛР серии I
- ЛР серии II
- Дизельные двигатели
- Бензиновые двигатели
- ЛР серии III
- Мазда
- Мерседес Бенц
- СЛ и СЛЦ
- Другой Мерседес
- мг
- МГБ рынок США
- Автомобили MGB UK Market
- MG MIdgets Рынок США
- MG Midgets UK Рынок
- MGA MGC MGTA — MGTF и MG1100
- Мини — Винтаж
- Нэш / AMC Metropolitan
- Нортон Мотоциклы
- Порше
- Порше 356, 912, 924, 928
- Порше 914
- Порше 911
- Луч солнца
- Тойота
- Автомобили Триумф
- Спитфайр и GT
- Олень серии
- ТР Автомобили
- Мотоциклы Триумф
- Фольксваген
- Фольксваген Карманн Гия
- Фольксваген Комби / Автобус
- Фольксваген Жук/Жук
- Вольво
- 120, 140, 160, 444, 544
- 240 серия
- 1800
- Подарочная карта
- Внутренняя отделка
Схема блока предохранителей бмв е34 и реле с назначением и расположением
BMW E34 — еще одна модификация кузова BMW 5 серии.
Эта серия выпускалась в 1987, 1988, 1989, 1990, 1991, 1992, 1993, 1994 и 1995 годах. Мы рассмотрим места расположения блоков реле и предохранителей БМВ Е34, их схемы и назначение элементов.
На BMW E34 есть два варианта проводки, High Version и Low Version (с учетом моделей с мотором M50 или с электроникой управления двигателем Siemens или Bosch). Главное отличие — установленная система самодиагностики — приборная панель оснащена прокручивающимся дисплеем.
Определить версию можно также посмотрев на блок предохранителей под капотом. Если в нижних рядах большие боксы CCM (Check control module) и LKM (Light control module), то это High Version, если обычные квадратные реле, то это Low версия.
Содержимое
- 1 Моторный отсек
- 1.1 Монтажная коробка
- 1.2 Дополнительные коробки
- 2 Салон
Моторный отсек
Монтажная коробка
Находится практически под самим стеклом.
Просто сдвиньте защелки для доступа. Вот предохранители №№ 1 – 29 и релейные коробки.
Низкая версия
Схемы
Реле
| Номер реле | Назначение |
| K2 | Звуковой сигнал bmw e34 |
| K3 | Removing voltage from terminal R |
| K4 | Heater fan / parking heater |
| K5 | Intensive cleaning / washer pump |
| К6 | SRA module |
| К8 | Relay auxiliary water насос bmw e34 |
| K9 | Снятие напряжения с клеммы 15 |
| K10 | Защита от перегрузки системы ABS/ASC |
| К16 | Relay breaker alarm 30/30 |
| К18 | Decoupling air conditioning * Motronic |
| К19 | Air conditioning compressor |
| K21 | Switching on the 1st speed of the auxiliary fan |
| К22 | Включение 2-й скорости дополнительного вентилятора |
| К40 | Реле ближнего света фар bmw e34 |
| К41 | Turning on the high beam headlights |
| K42 | Turning on the fog lights |
| K43 | Turning on fog lights |
| U4 | Anti-theft alarm sensor 30/30 |
Обозначение предохранителей
| № | Защищенная цель | ||||
| 1 | 15 | Brake Switch Switch Switch Switch Switch Switch Switch Switch Switch Switch Switch Switch Switch Switcho Switcho Switcho Tompoo. 0253 | |||
| 2 | 7.5 | Модуль освещения (реле включения ближнего и дальнего света фар) | |||
| 3 | 7.5 | Модуль включения противотуманных фар, реле включения заднего освещения , переключатель указателей поворота, переключатель дальнего света | |||
| 4 | 7.5 | Модуль освещения (стояночный и габаритный свет слева) | |||
| 5 | 10 модуль габаритного освещения справа (стояночный и боковой свет) 90 , подсветка номерного знака), cigarette lighter light , radio, engine compartment lighting, hazard warning switch | ||||
| 6 | 7.5 | Alarm | |||
| 7 | 15 | Fog lights | |||
| 8 | 7.5 | Right and левая противотуманная фара | |||
| 9 | 15 | Звуковые сигналы, блок управления компрессором кондиционера, дополнительный водяной насос кондиционера | |||
| 10 | 7,5 | 9025 2 Левая фара ближнего света0253||||
| 11 | 7. 5 | RH low beam headlamp | |||
| 12 | 15 | Heated washer nozzles, reversing light switch, mirror adjustment (switch) | |||
| 13 | 7.5 | Left high beam Фара | |||
| 14 | 7,5 | Фара дальнего света, правая | |||
| 15 | 7,5 | 7,5 | Выключатель стеклоочистителя 5 6 Реле стеклоочистителя 1 90 RA025116 | 30 | Обогрев переднего сиденья, привод поясничной опоры |
| 17 | 7,5 | Комбинация приборов (контрольная лампа разряда аккумулятора, контрольные лампы, основной модуль). on-board computer, gear indicator | |||
| 18 | 15 | Infrared module, seat adjustment drive, belt ejector, central locking, radio, cordless telephone | |||
| 19 | 30 | Bmw e34 heater blower fuse | |||
| 20 | 7. | Instrument cluster, on-board computer, digital clock, timer | |||
| 21 | 30 | Interior lighting, glove compartment trunk, battery connector | |||
| 22 | 30 | Электродвигатель стеклоочистителя (режимы 1 и 2). регулятор давления щетки (только для моделей с системой очистки под высоким давлением) | |||
| 23 | 7,5 | Топливный насос | |||
| 24 | 15 | Насос омывателя, блок управления стеклоочистителем/омывателем. relay for switching on the wiper motor | |||
| 25 | 30 | Additional fan (speeds 1 and 2) | |||
| 26 | 30 | Bmw e34 cigarette lighter fuse | |||
| 27 | 30 | Электромагнитный клапан отопителя, аудиосистема Hi-Fi с усилителем мощности | |||
| 28 | 15 | Сервотроник | |||
| 29 | 7,5 | Реле включения обогрева заднего стекла, блок управления компрессором кондиционера, реле дополнительного вентилятора. ABS control unit |
High Version
Diagram
Relay assignment
| Relay number | Appointment |
| К1 | Not available with manual gearbox (contacts 30 and 87 закрыто) |
| К1 | Starter lock (with automatic transmission) |
| K2 | Sound signals |
| K3 | Removing voltage from terminal R |
| K4 | Heater fan / parking heater |
| К5 | Насос интенсивной очистки/омывателя |
| К8 | Дополнительный водяной насос |
| К9 | Снятие напряжения с клеммы 15 |
| K10 | Overload protection of the ABS / ASC system |
| К16 | Alarm breaker |
| К31 | Turning on the cigarette lighter (or closed contacts 30 and 87) |
Расшифровка предохранителей
| № | Назначение | ||||
| 1 | 15 | Выключатель стоп-сигналов, цепь управления тормозами, АБС. тахометр, модуль освещения, Tempo mat | |||
| 2 | 7,5 | Предохранитель выключателя наружного освещения (клемма 56), модуль дальнего света фары bmw 525. | |||
| 3 | 7,5 | Выключатель противотуманных фар. Модуль освещения (реле включения противотуманных фар), переключатель указателей поворота, переключатель сигнализации дальнего света | |||
| 4 | 7,5 | Модуль освещения (габаритный и габаритный свет слева) | |||
| 5 | 2 30 Модуль освещения (стояночный и габаритный свет справа, подсветка номерного знака), затемнение во внутреннем зеркале заднего вида, подсветка прикуривателя, кассетного ящика, зеркала, выключатель обогрева сидений и выключатель поясничной опоры | ||||
| 6 | 7.5 | Direction indicators and hazard warning lights bmw 525 | |||
| 7 | 15 | Fog lights | |||
| 8 | 7. 5 | Right and left fog lights | |||
| 9 | 15 | Реле звукового сигнала, блок управления компрессором кондиционера Вспомогательный водяной насос кондиционера | |||
| 10 | 7,5 | Левая фара ближнего света | |||
| 7,5 | Правая фара ближнего света | ||||
| 12 | 15 | Форсунки омывателя с подогревом. reversing light switch, door mirror adjustment (switch) | |||
| 13 | 7.5 | Left high beam headlamp | |||
| 14 | 7.5 | High beam headlight, right | |||
| 15 | 7.5 | Relay для включения стеклоочистителя, бортового компьютера, стояночного отопителя | |||
| 16 | 30 | Подогрев поясничной опоры привода переднего сиденья “ | |||
| 17 | 7,5 | Комбинация приборов (контрольная лампа разрядки аккумулятора, контрольные лампы 6 5 5 2 92, главный модуль), бортовой компьютер | 18 | 15 | Радиоприемник (усилитель антенны), инфракрасный модуль, привод регулировки сиденья, беспроводной телефон |
| 19 | 30 | Вентилятор отопителя | 7. 5 | Комбинация приборов, бортовой компьютер, таймер, стояночный отопитель, отопитель | |
| 21 | 30 | Освещение салона, багажника, перчаточного ящика; battery charge connector | |||
| 22 | 30 | Windshield wiper pressure regulator, windshield wiper system | |||
| 23 | 7.5 | Fuel pump | |||
| 24 | 15 | Interior temperature control system | |||
| 25 | 30 | Additional fan (speeds 1 and 2) | |||
| 26 | 30 | Cigarette lighter | |||
| 27 | 30 | Heater solenoid valve, Hi-Fi audio система с усилителем мощности | |||
| 28 | 15 | Сервотроник | |||
| 29 | 7,5 | Блок управления компрессором кондиционера, реле вспомогательного вентилятора |
В обоих вариантах за прикуриватель отвечает предохранитель №26 на 30А.
Дополнительные коробки
Наличие этих блоков зависит от комплектации и года выпуска вашего BMW.
Первый дополнительный блок реле расположен в моторном отсеке слева по ходу движения, ближе к передней части автомобиля. На более поздних моделях он также содержит несколько предохранителей.
Protected components
- Headlamp / fog lamp cleaning control module
- Fan control relay – high speed
- Fan control relay – low speed
- Ringtone Relay
- Air conditioning control relay
- Circuit breakers
Второй электронный блок расположен в ближнем правом углу по ходу движения, прямо под лобовым стеклом. Он закрыт пластиковой крышкой с четырьмя винтами. В этом блоке находятся основные модули управления: двигатель, ABS, топливная система и электронный дроссель (EML), если он установлен.
Описание элементов
- Модуль управления ABS или ASC
- Модуль управления двигателем (Motronic)
- Модуль круиз-контроля
- Реле системы (главное)
- Реле топливного насоса
- Реле датчика кислорода
Салон
Ящик расположен под задним сиденьем. Есть предохранители под номерами 30 – 54. Выглядит примерно так.
Схема
Описание реле
- K30 Relay for switching on internal lighting
- K29 Relay TSH
- K13 HHS relay
- A40 Control unit for wipers and washers
- A30 Central locking control unit
Assignment
Low Version
| Назначение | Номер предохранителя | |||||||||||||||
| Противоугонная система | 33, 34 | |||||||||||||||
| Двойной подъемно-сдвижной люк | 32, 37| Power windows | 32, 37 | Rear wiper | 44 | Heated rear window | 35 | Interior lighting | 32, 37 | Rear headrests | thirty | Электрическая рулевая колонка | 41 | Радио | 36 | . | ![]() |

выключатель фонарей заднего хода, регулировка наружных зеркал заднего вида (переключатель)
бортовой компьютер, указатель передач
блок управления системы ABS
0253
5
ABS control unit
тахометр, модуль освещения, Tempo mat
5
5
