Где блок предохранителей на Peugeot 306?
Где блок предохранителей на Peugeot 306? Важно знать ответ. В этой статье мы поможем вам просто найдите блок предохранителей вашего Peugeot 306, чтобы заменить один, если он перегорел.
Обычно для вашего Peugeot 306 есть схема предохранителей, чтобы определить точное положение предохранителей на вашем Peugeot 306.
После этого вам не нужно быть мастером DIY, чтобы заменить предохранители на Peugeot 306. Несмотря ни на что, для этого требуются различные концепции и точные данные, поэтому мы представляем вам эти ответы в этой статье.
Также важно знать, какие роль блока предохранителей на Peugeot 306. Мы увидим это во втором абзаце.
Для начала вы узнаете где блок предохранителей вашего Пежо 306.
Расположение блока предохранителей на Peugeot 306:
В наше время почти все машины имеют 2 бокса и найти их не всегда легко.
Лучшее решение для их поиска — это просмотреть книгу обслуживания вашего Peugeot 306. Если у вас ее нет, воспользуйтесь другими способами. Найдите блок предохранителей для вашего Peugeot 306.
В следующем абзаце мы подробно расскажем, что делать с Найдите блок предохранителей в своем Peugeot 306.
Как легко найти блок предохранителей в Peugeot 306
Если у вас нет ноутбука, вот несколько рекомендаций, которые помогут вам определить причину.
В первую очередь, один из ящиков часто находится рядом со стороны водителя. Иногда до него трудно добраться, и вам, безусловно, придется снять некоторые защитные элементы с внутренней стороны вашего Peugeot 306, чтобы добраться до него.
Другое возможное местоположение, в моторного отсека. Ищите батарею, обычно она рядом.
Найдите предохранитель для вашего Peugeot 306 по схеме.
После того, как Блок предохранителей Peugeot 306 найден, вам понадобиться найди предохранитель в вопросе, чтобы иметь возможность заменить неисправный.
Действительно, на вашем корпус, каждый предохранитель соответствует определенному назначению, вам нужно будет найти совпадения. Например, на ваш Peugeot 306, ваши фары дальнего света имеют собственный предохранитель.
Эти сведения должны быть указаны на ваш журнал обслуживания.
В буклете по техническому обслуживанию вашего автомобиля найдите страницу, соответствующую схеме предохранителей для вашего Peugeot 306. Она покажет вам, где именно находится каждый предохранитель. Таким образом, это позволит вам заменить определенный предохранитель, когда вы обнаружите неисправность в своем Peugeot 306.
Соблюдайте особую осторожность при его снятии, вы можете повредить окружающие детали.
В общем, в комплекте с ним идет пластиковый зажим, который значительно облегчит вам работу.
Роль блока предохранителей на Пежо 306:
Это блок предохранителей, где точнее предохранители, в основном служат щит к электрической цепи который является неотъемлемой частью вашего Peugeot 306.
Он составлен свинцовый провод который подключен к входной цепи электрической цепи. Благодаря своим техническим свойствам свинец довольно быстро нагревается при протекании тока. Следовательно, это позволяет расплавить его, если когда-либо возникнет возможная перегрузка.
Таким образом, поэтому ток отключен и окружающие части затем защищены, но, в частности, это предотвратит перегрев или даже взрыв различных хрупких частей, например, батарей.
Важно знать, что это основная часть вашего Peugeot 306.
С развитием механики и технологий, с течением времени ему были поручены другие дополнительные задачи, такие как создание базы других электрических компонентов или даже превращение в центральный блок управления.
Таким образом, это означает, что даже если его основная функция останется прежней, эти дополнительные задачи сделают его замену немного более сложной задачей.
Различные модели предохранителей на Peugeot 306:
Еще один важный момент, который следует знать, когда вы собираетесь менять эти детали, — есть несколько типов предохранителей.
Мы будем говорить здесь только о модели самые распространенные по размеру, от самого маленького до самого большого :
Мини-предохранители: У них калибр от 2 до 30 ампер. Основным преимуществом является то, что они очень маленькие и, следовательно, не громоздкие. Однако они обладают пониженной резистивной способностью, не соответствуют защите какой-либо цепи.
Стандартные предохранители: они имеют немного более высокий номинал, чем мини-предохранители (от 3.5 до 30 ампер), но сравнительно больше. Они измеряют 2 * 2 см.
Предохранители Maxi: Это самые большие, как следует из названия, они имеют размер 3.5 * 2.5 см, рассчитаны на силу тока от 30 до 90. Их роль очень часто проявляется в деталях двигателя (охлаждение …)
Теперь вы знаете об этих предохранителях больше, можете действовать, соблюдая осторожность.
Однако имейте в виду несколько важных правил, которые необходимо соблюдать, чтобы обеспечить надлежащее функционирование вашего Peugeot 306.
Важно замените предохранитель на предохранитель с такой же силой тока. Не обязательно доверять предохранителю на месте, он может оказаться там по ошибке.
ПРИМЕР: произошло короткое замыкание в линии, потому что рассматриваемый предохранитель был слишком маленьким. Если вы замените этот предохранитель на аналог, операция действительно может повториться.
Так что обратитесь к своей сервисной книжке, где вы найдете аналогичный калибр. Каждый калибр обычно имеет свой цвет, что позволит вам легко его определить.
Наконец, обратите особое внимание на окружающие электронные компоненты, вы можете повредить важные детали во время работы!
Предохранители и реле пежо 306
ПежоКомментарии: 0Peugeot 306 относится к автомобилям гольф-класса. Он выпускался в 1993, 1994, 1995, 1996, 1997, 1998, 1999, 2000, 2001, 2002 и 2003 году с кузовами хэтчбек и универсал. Представляем вам описание блоков реле и предохранителей пежо 306, а так же их схемы, места расположения, предохранитель прикуривателя и руководство по эксплуатации.
Количество элементов в Ваших блоках может отличатся от представленных и зависит от комплектации и года выпуска автомобиля.
Содержание
- 1 Предохранители и реле в салоне
- 2 Блок с предохранителями под капотом
- 3 Руководство по эксплуатации
Предохранители и реле в салоне
Что бы получить к нему доступ, надо повернуть на четверть оборота винт, расположенный в крышке блока, под рулем.
фотография блока в салоне пежо 306Описание предохранителей
- Не используется.
- 7,5 Компьютер автоматической коробки передач (АКП) или зуммер превышения скорости.
- 5 Kомпьютер АБС.
- 5 Приборная панель, центральный блок защиты салона, блок регулирования температуры охлаждающей жидкости, подсветка селектора переключения режимов АКП, реле АКП, замок отключения подушки безопасности переднего пассажира.
- 25 Выключатель фонарей заднего хода, Реле АКП, выключатель стоп-сигналов, реле фонарей дневного освещения, реле группы вентиляторов охлаждения двигателя, выключатель прессостата, реле компрессора.

- 5 Приборная панель, центральный блок защиты салона, сигнализатор охранной системы, часы, лампа освещения багажника, антенна радиоприемника.
- 30 Электрообогреватель заднего стекла и наружных зеркал.
- 20 Центральный блок защиты салона, автомагнитола.
- 20 Компьютер системы впрыска, реле группы вентиляторов охлаждения двигателя, электронный блок регулировки температуры охлаждающей жидкости.
- 20 Фонари аварийной световой сигнализации, задний и передний плафоны освещения салона.
- 10 Подсветка приборной панели, зуммер превышения скорости, часы, регулятор яркости подсветки приборной панели, габаритные фонари.
- 10 Задний противотуманный фонарь.
- Не используется.
- 30 Реле заднего стеклоподъемника и электрообогревателей сидений.
- 20 Разъем подсоединения электропроводки прицепа.
- 30 Реле передних стеклоподъемников и вентиляционного люка.
- 20 Выключатель звукового сигнала.
- 10 Передние противотуманные фары.
- 10 Задний габаритный фонарь.

- 30 Система вентиляции, отопления, кондиционирования воздуха
- 10 Задний левый габаритный фонарь, освещение номерного знака, передние габаритные фонари.
- 10 Реле системы вентиляции, выключатель электрообогревателя заднего стекла и наружных зеркал.
- 20 Прикуриватель.
- Не используется.
- 10 Автомагнитола.
- 30 Выключатель стеклоочистителя и омывателя ветрового стекла, электродвигатель стеклоочистителя ветрового стекла, таймер выключения стеклоочистителя или реле датчика дождя.
- 15 Лампа освещения перчаточного ящика, индикаторы указателей поворота, выключатель электрической регулировки наружных зеркал, плафоны местного освещения, лампа подсветки туалетного зеркала, датчик дождя, датчик температуры воздуха в салоне.
- 15 Часы, термометр наружного воздуха, реле стеклоподъемников и электрообогревателей сидений, стеклоочиститель заднего стекла, вентиляционный люк.
За прикуриватель отвечает предохранитель номер 23 на 20 А.
Схема реле
Обозначение
- Реле 1 датчика дождя
- Реле 2 датчика дождя
- Реле ближнего света фар / сигнализация
- Реле передних стеклоподъемников
- Реле задних стеклоподъемников
- Реле передних противотуманных фар
- Реле нагревательного элемента печки отопителя, АСС
- Реле работы электро схемы двигателя / сигнализация / электро подъемники передние
- Реле таймера подогрева заднего стекла
- Реле индикаторов указателей поворотов
Блок с предохранителями под капотом
В моторном отсеке данный блок находится с боку от аккумуляторной батареи, под защитной крышкой.
Фото-схема блока
Сам блок условно можно разделить на две части: обычные предохранители и предохранители высокой мощности (MF).
Обозначение MF
- 40A Питание противоугонного устройства
- 60A Питание электрических замков, выключатель освещения, вентилятор климатической установки, реле передних противотуманных фар, диагностический разъем
- 60A Питание компьютера AБС
- 60A Питание + от аккумуляторной батареи блока электрических предохранителей
Назначение обычных
29 10 Левая фара ближнего света
30 10 Правая фара ближнего света
31 10 Левая фара дальнего света
32 10 Правая фара дальнего света
33 15 Компьютер дизельного двигателя
34 10 Датчик кислорода
35 15 Бензонасос
36 20 Таймер омывателей
37 40 Вентиляторы системы охлаждения двигателя
38 — Не используется
39 40 Запасной предохранитель вентиляторов системы охлаждения двигателя
40 40 Вентиляторы системы охлаждения двигателя
Руководство по эксплуатации
Не нашли ответ на свой вопрос? Попробуйте ознакомится с инструкцией по обслуживанию и эксплуатации пежо 306: “скачать“.
Либо задайте его в комментария.
Предохранители и реле пежо 306
Блок с предохранителями в салоне эпика
Он находится с левой стороны в торцевой части приборной панели.
Общая схема
Описание
| F1 | 10 | CLUSTER2 | Комбинация приборов, блок информационного дисплея, LCM, модуль RKE, ТСМ, переключатель PNP |
| F2 | 25 | WIPER | Переключатель стеклоочистителя/ стеклоомывателя, электродвигатель стеклоочистителей, блок датчика дождя |
| F3 | 15 | ECU | Не используется |
| F4 | 10 | HVAC | ISU, реле вентилятора, переключатель MTC/FATC, привод выбора режима, привод рециркуляции |
| F5 | 10 | CLOCK | Переключатель переднего плафона освещения салона/ люка в крыше, LCM, цифровые часы |
| F6 | 10 | RADIO | Аудиосистема, модуль навигации |
| F7 | 20 | HEATING MAT | Выключатель ковриков с подогревом — водителя/ пассажира |
| F8 | 20 | AUDIO | Аудиосистема |
| F9 | 10 | CLUSTER1 | Комбинация приборов, переключатель MTC/FATC, цифровые часы, блок информационного дисплея, LCM, выключатель вставленного ключа, модуль RKE |
| F10 | 10 | SDM | SDM |
| F11 | 10 | AIR BAG | Контрольная лампа подушки безопасности/ непристегнутого ремня безопасности пассажира, датчик PPD |
| F12 | 10 | SPARE | Запасной |
| F13 | 10 | LCM | LCM |
| F14 | 20 | CIGAR | Дополнительная розетка, прикуриватель |
| F15 | 20 | SUB WOOFER | Динамик сабвуфер |
| F16 | 15 | B/UP LP | Рычаг переключателя передач, переключатель PNP, выключатель заднего хода, зеркало отсека ECM, тормозной выключатель, комбинация приборов |
| F17 | 15 | U/H J/B | ЕСМ, модуль топливного насоса, автоматическая КП в сборе с главной передачей, датчик MAF |
| F18 | 10 | BCM | ISU, переключатель стеклоочистителя /стеклоомывателя |
| F19 | 10 | OSRVM | Зеркало с электроприводом — водителя/ пассажира, переключатель MTC/FATC |
| F20 | 15 | A/D CONVERTER | Не используется |
| F21 | 15 | SSPS | Модуль SSPS |
| F22 | 15 | ALDL | DLC, выключатель открытия багажника |
| F23 | 30 | ESC | Электронный блок управления тормозами |
Моторчик печки
Не менее распространённой причиной поломки отопителя становится неисправный мотор печки.
Причём здесь возможно сразу несколько ситуаций. Одна из них была рассмотрена выше, и это перегоревший предохранитель.
- Поломка крыльчатки. Случается редко, но и такой вариант исключать нельзя. Целостность крыльчатки обычно нарушается при серьёзных ударах, после ДТП, при небрежном отношении при замене, либо при использовании откровенно дешёвых аналогов. Придётся менять.
- Износ щёток и подшипника. Частые проблемы для любого электровентилятора, включая мотор печки французского коммерческого авто. В принципе можно попробовать разобрать вентилятор и заменить изношенные элементы. Но чаще всего устройство меняют в сборе.
- Резистор. На самом вентиляторе установлен резистор, отвечающий за понижение напряжения, идущего на мотор печки. Он необходим для того, чтобы включать отопитель на малых скоростях. Если резистор вышел из строя, печка на Peugeot Partner не будет работать на первых скоростях, но зато запустится на максимальном режиме обдува.
- Проблемы с проводкой.
Нельзя исключать появление окислений контактов, обрыва проводки, идущей на электровентилятор. Прежде чем выбрасывать мотор печки, убедитесь, что проблема не с электропроводкой.
Найти моторчик печки на коммерческом фургоне Peugeot Partner достаточно просто. Он располагается непосредственно за бардачком. Если сдвинуть назад переднее пассажирское кресло и удобно разместиться под бардачком, снимать перчаточный ящик и не придётся.
Резистор расположен непосредственно на корпусе мотора печки. Для его извлечения достаточно отщёлкнуть фишку и потянуть резистор вниз.
Блок около пассажирского сидения
Схема — вариант 1
Описание
Описание
| 54 | Не используется |
| 55 | Подогрев сидений 15А |
| 56 | Розетка 15А 12В для задних пассажиров |
| 57 год | 10А Дополнительный обогрев под сиденьем |
| 58 | 15А Обогрев левого заднего стекла |
| 59 | 15А Обогрев правого заднего стекла |
| 60 | Не используется |
| 61 | Не используется |
| 62 | Не используется |
| 63 | 10A Управление дополнительным обогревом задних пассажиров |
| 64 | Не используется |
| 65 | 30А Вентилятор дополнительного обогрева задних пассажиров |
Схема — вариант 2
Обозначение схемы
| T25 | Внутреннее освещение |
| T66 | Реле прикуривателя |
| T30 | Размеры реле |
| T31 | Дополнительный обогреватель под сиденьем |
| F54 | (10A) Кондиционер / отопление |
| F55 | (15A) Подогрев сидений |
| F56 | (15А) |
| F57 | (10A) Кондиционер / отопление |
| F58 | (10A) Ближний свет фар |
| F59 | (7,5 А) Активная подвеска |
| F60 | (10A) Кондиционер / отопление |
| F61 | (30A) Кондиционер / отопление |
Предохранители в салоне пежо 308
Этот блок предохранителей расположен под панелью приборов (с левой стороны).
Вариант 1 (1 поколение)
Схема
Расшифровка
| F11 | 15 | Цепь малого тока замка зажигания |
| F6 | 30 | Задние стеклоподъемники |
| F15 | 30 | Запирание замков и суперблокировка |
| F5 | 30 | Передние стеклоподъемники, питание, приводы складных зеркал заднего вида, шторка панорамной крыши |
| F10 | 15 | |Подрулевые переключатели, сирена охранной сигнализации, ЭБУ системы охранной сигнализации |
| F8 | 20 | Аудиосистема, радиотелефон, CD-чейнджер, многофункциональный дисплей, система контроля давления воздуха в шинах |
| F7 | 5 | Передний и задний плафоны, плафоны индивидуального освещения, задние спот-плафоны, подсветка зеркал на противосолнечных козырьках, подсветка вещевого ящика, переносная лампа |
| F14 | 15 | Многофункциональный дисплей, усилитель, устройство Hands free, датчик дождя/освещенности, ЭБУ системы предупреждения при заезде на стоянку (парктроник), коммутационный блок прицепа, система предупреждения о непреднамеренном пересечении линии дорожной разметки |
| F9 | 30 | Розетка 12 В передняя, предохранитель прикуривателя |
| F12 | 15 | Комбинация приборов, панель сигнальных ламп ремня и подушки безопасности переднего пассажира, кондиционер, блок памяти сиденья водителя, выключатели в зоне сидений 2-го ряда, модуль учебного автомобиля |
| F13 | 5 | Электронный блок системы управления двигателем, подушки безопасности, рычаг селектора секвентальной автоматической коробки передач |
| F3 | 5 | ЭБУ подушек безопасности и пиротехнических преднатяжителей |
| F4 | 10 | Контактор педали сцепления и двухфункциональный контактор тормозной системы, внутрисалонное светочувствительное зеркало заднего вида, кондиционер воздуха, датчик положения рулевого колеса, автоматическая коробка передач, коммутационный блок системы защиты |
| F1 | 15 | Очиститель заднего стекла |
| F17 | 40 | Обогрев заднего стекла и наружных зеркал заднего вида |
| SH | — | Шунт PARC |
Отдельно размещены следующие элементы:
G36 — 30 A Подогрев сидений водителя и пассажира.
Вариант 2 (2 поколение)
Общая схема
Обозначение
- F1 15 A Очиститель заднего стекла.
- F2 30 А Масса системы запирания замков и суперблокировки.
- F3 5 A ЭБУ подушек безопасности и пиронатяжителей.
- F4 10 A Контактор педали сцепления и двухфункциональный контактор тормозной системы, внутри салонное светочувствительное зеркало заднего вида, кондиционер воздуха, датчик положения рулевого колеса, автоматическая коробка передач, блок коммутатора и системы защиты.
- F5 30 A Передние импульсные стеклоподъемники, питание привода складных зеркал заднего вида, шторка панорамной крыши.
- F6 30 A Задние импульсные стеклоподъемники, коммутационный блок прицепа.
- F7 5 A Передний и задний плафоны, плафоны индивидуального освещения, задние спот-плафоны, подсветка зеркал на противосолнечных козырьках, подсветка перчаточного ящика, переносная лампа.
- F8 20 A Автомагнитола, радиотелефон, CD-чейнджер, многофункциональный дисплей, контроль давления воздуха в шинах.
- F9 30 A Розетка 12 В передняя.
- F10 15 A Подрулевые переключатели, сирена, ЭБУ охранной сигнализации.
- F11 15 A Цепь слабого тока замка зажигания.
- F12 15 A Комбинация приборов, панель сигнализаторов ремня и подушки безопасности переднего пассажира, кондиционер воздуха, блок памяти сиденья водителя, выключатели в зоне сидений 2го ряда, модуль учебного автомобиля.
- F13 5 A Электронный блок системы управления двигателем, подушки безопасности, рычаг селектора секвентальной автоматической коробки передач, коммутационный блок прицепа.
- F14 15 A Многофункциональный дисплей, усилитель, гарнитура «свободные руки», датчик дождя/освещенности, ЭБУ системы помощи при парковке.
- F15 30 A Система запирания замков и суперблокировки.
- F17 40 A Обогрев заднего стекла и наружных зеркал заднего вида.
- SH — Шунт PARC.

На отдельном элементе находятся следующие предохранители:
G36 30 A Подогрев сидений водителя и пассажира. G37 5 A Блок памяти настроек места водителя, регулятор подсветки. G38 30 A Блок памяти сиденья водителя. G39 30 A Цепь питания коммутационного блока прицепа. G40 30 A Усилитель Hi-Fi.
Описание для 2-ого поколения
Блоки с предохранителями и реле под капотом
Главный блок с предохранителями и реле
Общая схема
Обозначение
- F1 20A Компьютер управления двигателем — питание электрического блока управления двухскоростной группой электровентилятора
- F2 15A звуковая сигнализация
- F3 10A передний и задний стеклоомыватели
- F4 20A Омыватели фар
- F5 15A + аккумулятор Система подогрева топлива DV6 — топливный насос TU5JP4
- F6 10A + после контакта компьютер и сдвоенное реле систем ABS/ESP — датчик угла поворота рулевого колеса — гирометр измеритель ускорения системы контроля стабильности — механизм электронасоса усилителя рулевого колеса
- F7 10A контактный датчик торможения — концевой выключатель педали сцепления
- F8 25A обмотка стартера
- F9 10A после контакта модуль блокировки защиты 3 реле — электродвигатель корректора направления фар
- F10 30A управление катушкой зажигания TU5JP4 — управление инжектором TU5JP4 — питание электромагнитного клапана насоса системы впрыска DV6
- F11 40A включение реле нагнетательного вентилятора
- F12 30A управление малой и большой скоростью переднего стеклоочистителя
- F13 40A после контакта питание СМ (интеллектуальный сервисный модуль)
- F14 30A управление насосом рекуперации температуры отработавших газов
- F15 10A правая фара дальнего света
- F16 10A левая фара дальнего света
- F17 15A левая фара ближнего света
- F18 15A правая фара ближнего света
- F19 15A Электроклапан очистки резервуара TU5JP4 — кислородные датчики на входе и выходе TU5JP4 — электроклапан системы обогрева воздуха турбонаддува 1-2 DV6
- F20 10A датчик наличия жидкости в топливе DV6 — электроклапан регулировки давления в турбокомпрессоре DV6 — электромагнитный клапан регулирования температуры на выпуске F21 5A воздушный расходомер DV6 — питание электрического блока управления двухскоростной группой электровентилятора модуль макси предохранителей (PSF1)
- R1 главное реле компьютера управления двигателем
- R2 реле силовой цепи компьютера управления двигателем
- R3 реле системы подачи воздуха
- R4 реле очистителя ветрового стекла
- R5 реле малой скорости переднего стеклоочистителя — реле большой скорости переднего стеклоочистителя
- R6 реле распределителя + после контакта
- R7 реле вентилятора системы кондиционирования
- R8 реле стартера
- R9 реле переднего стеклоомывателя
- R10 реле заднего стеклоомывателя
- R11 реле омывателя фар
- R12 реле звукового сигнала
Блок на крышке аккумуляторной батареи
О его расположении можете посмотреть в данном видео, а заодно узнать как поменять аккумулятор на Peugeot Partner.
Схема
Обозначение схемы
- Модуль состояния зарядки — 5А
- Диагностический разъем — 15А
- Сопротивление выключатели педали тормоза — 15А
- —
- Питание группы электронасоса усилителя рулевого управления — 80А
- Модуль управления предварительным пост-обогревом — 70А
- Модуль блокировки защиты 3 реле — 100А
- —
- —
- Простое реле защиты двигателя — 30А
Блоки в салоне пежо партнер
Основные блоки под панелью слева
Общая схема
Описание предохранителей
- 15А — Очиститель заднего стекла
- —
- 5А — Подушка безопасности
- 10А — Кондиционер, диагностический разъем, зеркало заднего вида, регулятор фар
- 30А — Стеклоподъемники
- 30А — Замки
- 5А — Задний плафон, передний плафон индивидуального освещения, люк в крыше
- 20А — Автомагнитола, CD-чейнджер, дисплей, блок контроля давления воздуха в шинах, охранная сигнализация и сирена
- 30А — Розетки 12 В передняя и задняя
- 15А — Верхняя часть рулевой колонки
- 15А — Цепь малого тока замка зажигания
- 15А — Датчик дождя и освещенности, подушка безопасности
- 5А — Панель приборов
- 15А — Парктроник, панель управления кондиционером, система громкой связи
- 30А — Питание системы блокировки замов
- —
- 40А — Подогрев заднего стекла и зеркал
За прикуриватель отвечает предохранитель номер — 9.
Описание реле
- R1 — Реле переднего импульсно стеклоподъемника
- R2 — Реле очистителя заднего стекла
- R3 — Реле аксессуаров + АСС
- R4 — Реле блокировки дверей
- R5 — Реле супер блокировки задних дверей
- R6 — Реле супер блокировки передних дверей
- R7 — Реле пробуждения компьютера
- R8 — Реле заднего стекла с обогревом
Схема 2 блока
Расшифровка элементов
- —
- 20А — Подогрев сидений
- —
- 15А — Реле складных зеркал заднего вида
- 15А — Реле розетки для подключения холодильной камеры
Дополнительный блок
При наличии в комплектации автомобиля соответствующих систем, на нем устанавливается дополнительный блок предохранителей для сцепного устройства и прицепа, а также прочих кузовных модификаций и платформ с кабиной. Он расположен за ограничительной перегородкой справа.
- 15А — реле замка зажигания, опционный генератор
- 15А — Питание прицепа 12В
- 15А — Цепь постоянного питания трансформаторов
- 40А — Аварийные огни
Предохранители и реле под капотом
Основной блок находится в моторном отсеке с левой стороны.
Вариант 1 (до 2002 г.в.)
Фото-схема
Описание
| R1 | Реле противотуманных фар |
| R2 | Реле насоса воздуха (AIR) |
| R3 | Реле управления двигателем |
| R4 | Реле звукового сигнала |
| F1 | (70A) Многофункциональный модуль управления |
| F2 | (40A) Реле 1 вентилятора двигателя охлаждающей жидкости двигателя |
| F3 | (70A) Подогреватель охлаждающей жидкости двигателя-HDi |
| F4 | — |
| F5 | (20A / 30A) Передние противотуманные фары, сигнал, боковые / задние фонари |
| F6 | (5A / 10A / 20A) Кондиционер (AC), дневные ходовые огни, подогрев передних сидений |
| F7 | (5A / 20A) Двигатель вентилятора охлаждающей жидкости двигателя (без переменного тока), реле двигателя вентилятора — некоторые модели (с переменным током) |
| F8 | (70A) Блок предохранителей |
| F9 | (50A) Многофункциональный модуль управления |
| F10 | (40A) Переключатель света |
| F11 | (60A) Блок предохранителей |
| F12 | (50A) переключатель зажигания |
| F13 | (40A) переключатель зажигания |
| F14 | (5A / 30A) Сигнализация, соединитель линии передачи данных (DLC), дневные ходовые огни, омыватели фар |
| F15 | — |
| F16 | (30A) Антиблокировочная система (ABS) |
| F17 | (30A) Антиблокировочная система (ABS) |
| F18 | (20A) Омыватели фар — некоторые модели |
| F19 | — |
| F20 | (15A) Топливный подогреватель-HDi некоторые модели |
| F21 | (5A) Блок управления AC, панель управления функциями AC / нагреватель, модуль управления двигателем вентилятора двигателя HFY / HFZ / KFX / NFZ |
| F22 | (10A / 30A) Управление двигателем-LPG, задние электрические стеклоподъемники-некоторые модели |
| F23 | (5A) Антиблокировочная система (ABS) |
| F24 | (5A) Управление двигателем, реле таймера свечи накаливания |
| F25 | (10A) Топливный насос, переключатель инерционного отключения топлива (IFS) |
| F26 | (10A / 30A) Управление двигателем, топливный насос |
| F27 | (5A / 10A / 20A) Управление двигателем-HDi, автоматическая коробка передач (AT) |
| F28 | (5A) Нагреватель корпуса дроссельной заслонки |
| F29 | (20A / 30A) Двигатель вентилятора охлаждающей жидкости двигателя — некоторые модели, реле для впрыска вторичного воздуха (AIR) |
| F30 | (10A) Передняя противотуманная фара, правая, передние противотуманные фары с включенной контрольной лампой |
| F31 | (10A) Передняя противотуманная фара слева |
| F32 | (10A) автоматическая коробка передач (AT), разъем для передачи данных (DLC), нагреватель охлаждающей жидкости двигателя HDi, датчик уровня охлаждающей жидкости двигателя, узел впрыска, реверсивная лампа / с, датчик скорости автомобиля (VSS) |
| F33 | (10A) Автоматическая коробка передач (AT) |
| F34 | (5A / 15A) Управление двигателем |
Вариант 2 (с 2002 г.
в.)В данном блоке также возможно 2 варианта. Хотя схема может выглядеть по разному, расшифровка одна.
Таблица с обозначением
| 1 | 10А Электронный блок свечей накаливания дизельного двигателя, датчик присутствия воды в дизельном топливе, выключатель фонаря заднего хода, датчик скорости, расходомер воздуха дизельного двигателя |
| 2 | 15А Электромагнитный клапан абсорбера, топливный насос |
| 3 | 10А Компьютер АБС |
| 4 | 10А Компьютер автоматической коробки передач, компьютер двигателя |
| 5 | Не используется |
| 7 | 20А Насос омывателя фар |
| 8 | 20А Реле вентилятора системы охлаждения двигателя, компьютер двигателя, ТНВД дизельного двигателя, регулятор высокого давления топлива в дизельном двигателе, электроклапан двигателя |
| 9 | 15АЛевая фара ближнего света |
| 10 | 15А Правая фара ближнего света |
| 11 | 10А Левая фара дальнего света |
| 12 | 15А Правая фара дальнего света |
| 13 | 15А Звуковые сигналы |
| 14 | 10А Насосы омывателей ветрового и заднего стекол |
| 15 | 30А Блок подогрева корпуса дроссельной заслонки, ТНВД дизельного двигателя, кислородный датчик, компьютер двигателя, расходомер воздуха, катушка зажигания, электроклапан двигателя, блок подогрева дизельного топлива, форсунки |
| 16 | 30А Реле компрессора |
| 17 | 30А Максимальная и малая скорости работы стеклоочистителя |
| 18 | 40А Электровентилятор системы отопления и вентиляции |
Некоторые реле находятся внутри блока.
Реле бензонасоса
Отдельные реле находятся рядом с устройством их обслуживающих. Например, реле на вентилятор охлаждения двигателя.
Макси предохранители
Отдельно (с обратной стороны) располагаются предохранители высокой мощности. Они рассчитаны на большой ток, обеспечивают дополнительную защиту цепей электрооборудования.
Описание
- (20A) Реле вентилятора системы охлаждения
- (70A) Модуль управления ABS
- (30A) Модуль управления ABS
- (70A) Блок предохранителей / релейная пластина, фасция (F9-F12 / F16), многофункциональный модуль управления
- (70A) Блок предохранителей / релейная пластина, фасция (F1 / F4 / F5 / F7 / F14 / F15 / F23)
- (30A) Насос гидроусилителя рулевого управления
- (30A) Включатель зажигания
- (30A) Выходной усилитель аудиоустройства
Вариант 1
Предохранители в салоне
Для доступа надо убрать защитную крышку.
Схема Вариант 1
Схема Вариант 2
Описание
| 1 | 10А Задний противотуманный фонарь.![]() |
| 2 | 15А Задний стеклоочиститель. |
| 4 | 15А Передние стеклоподъемники Вентиляционный люк. |
| 5 | 15А Левый стоп-сигнал, в т.ч. и стоп-сигнал прицепа. |
| 7 | 20А Задний плафон, передний плафон, фонарь местной подсветки, прикуриватель, освещение перчаточного ящика. |
| 9 | 30А Клавиши стеклоподъемников, импульсные клавиши стеклоподъемников (для неимпульсных не годится), клавиша вентиляционного люка. |
| 10 | 15А Диагностический разъем, задняя электрическая розетка 12 В. |
| 11 | 15А Автомагнитола, многофункциональный дисплей «В», подрулевые переключатели, электронный блок управления автоматической коробкой. |
| 12 | 10А Передний правый и задний правый габаритные фонари, фонарь освещения номерного знака автомобиля и прицепа, блок дистанционного управления замками, охранная сигнализация, ESP, фонари аварийной сигнализации, подсветка пепельницы и панели управления кондиционером, электроподогрев сидений, прикуриватель, контактор положения рычага селектора автоматической коробки, блок регулятора фар.![]() |
| 14 | 30А Блокировка/ полная блокировка замков, привод суперблокировки. |
| 15 | 30А Задние стеклоподъемники. |
| 16 | 5А Коммутаторный блок двигателя, охранная сигнализация, сажевый фильтр, подрулевые переключатели, подушки безопасности. |
| 17 | 10А Задний правый стоп-сигнал, дополнительный стоп-сигнал. |
| 18 | 10А Диагностический разъем, подрулевые переключатели, выключатель стоп-сигнала и датчик сцепления, датчик уровня охлаждающей жидкости, 2-й датчик тормозной системы. |
| 19 | 30А Шунт PARC. |
| 22 | 10А Передний левый и задний левый габаритные фонари, фонарь освещения номерного знака автомобиля и прицепа. |
| 23 | 15А Сирена охранной сигнализации, датчик объема салона. |
| 24 | 15А Приборная панель, автомагнитола, многофункциональный дисплей, кондиционер. |
| 26 | 30А Электрообогреватель заднего стекла.![]() |
Блок под капотом
Блок можно условно разделить на две части.
Общая схема верхней части
Обозначение
- 10А Выключатель фонаря заднего хода автоматической коробки, реле блокировки автоматической коробки, выключатель фонаря заднего хода механической коробки, датчик скорости, блок электропитания свечей накаливания, датчик присутствия воды в дизельном топливе, расходомер воздуха DW.
- 15A Электроклапан абсорбера топливных паров, топливный насос.
- 10A Электронный блок усилителя рулевого управления, электронный блок АБС или ESP.
- 10A Компьютер впрыска, реле группы вентиляторов охлаждения двигателя, реле системы дополнительного подогрева, электронный блок АКП, электронный блок управления переключением передач в АКП, реле шифт-лок АКП.
- 15A Датчик сажевого фильтра.
- 15A Передние противотуманные фары.
- 20A Электродвигатель насоса омывателя фар.
- 20A Реле группы вентиляторов охлаждения двигателя, цепь электропитания компьютера впрыска.

- 15A Левая фара ближнего света.
- 15A Правая фара ближнего света.
- 10A Левая фара дальнего света.
- 10A Правая фара дальнего света.
- 15A Звуковой сигнал.
- 10A Электродвигатели насосов омывателей ветрового и заднего стекол.
- 30A Кислородные датчики, электро клапан системы рециркуляции отработавших газов, катушка зажигания, регулятор высокого давления системы топливо подачи дизельного двигателя, цепь электропитания инжекторов.
- 40A Электро клапан регулирования давления наддува силового агрегата с АКП.
- 30A Реле нормального и ускоренного режимов работы очистителя ветрового стекла.
- 40A Электродвигатель системы кондиционирования воздуха.
Назначение предохранителей нижней части
| 1 | 30/50А Группа вентиляторов охлаждения двигателя. |
| 2 | 30А Электродвигатель насоса систем ESP/ABS. |
| 3 | 30А Электроклапаны систем ESP/ABS. |
| 4 | 60/70А Цепь питания интеллектуального блока управления коммутацией бортовых систем.![]() |
| 5 | 70А Цепь питания интеллектуального блока управления коммутацией бортовых систем. |
| 6 | 20А Электроподогрев сидений. |
| 7 | 30А Замок зажигания с противоугонной системой, цепь электропитания. |
| 8 | 70А Электродвигатель насоса усилителя рулевого управления. |
в формате PDF, электрическая схема и коды неисправностей DTC
Коды неисправностей Peugeot DTC
Коды неисправностей Peugeot DTC
Коды неисправностей Peugeot DTC.pdf
Документ Adobe Acrobat
Загрузить
Руководство по ремонту и обслуживанию Peugeot 205
Руководство по обслуживанию и ремонту Peugeot 205
Руководство по обслуживанию и ремонту Peugeot 205.pd
Документ Adobe Acrobat 3,1 МБ
Загрузить
Руководство по эксплуатации Peugeot 106
Руководство по эксплуатации Peugeot 106
Руководство по эксплуатации Peugeot 106.
pdf
Документ Adobe Acrobat 2,7 МБ
Загрузить
Руководство по Peugeot 206
Руководство по Peugeot 206
Руководство по Peugeot 206.pdf
Документ Adobe Acrobat 4,3 МБ
Загрузить
Руководство по эксплуатации Peugeot 107
Руководство по эксплуатации Peugeot 107
Руководство по эксплуатации Peugeot 107.pdf
Документ Adobe Acrobat 2,5 МБ
Загрузить
Руководство по эксплуатации Peugeot 306 Cabrio
Руководство по эксплуатации Peugeot 306 Cabrio
Руководство по эксплуатации Peugeot 306 Cabrio.pdf
Документ Adobe Acrobat 1,9 МБ
Скачать
Руководство по эксплуатации Peugeot 308
Руководство по эксплуатации Peugeot 308
Руководство по эксплуатации Peugeot 308.pdf
Документ Adobe Acrobat 642.0 КБ
Загрузить
Руководство по эксплуатации Peugeot 508
Руководство по эксплуатации Peugeot 508
Руководство по эксплуатации Peugeot 508.
pdf
Документ Adobe Acrobat 5,6 МБ
Загрузить
Руководство по эксплуатации Peugeot 108
Руководство по эксплуатации Peugeot 108
Руководство по эксплуатации Peugeot 108.pdf
Документ Adobe Acrobat 3,7 МБ
Загрузить
Руководство по эксплуатации Peugeot 607
Руководство по эксплуатации Peugeot 607
Руководство по эксплуатации Peugeot 607.pdf
Документ Adobe Acrobat 8,3 МБ
Загрузить
Руководство по эксплуатации Peugeot 2008
Руководство по эксплуатации Peugeot 2008
Руководство по эксплуатации Peugeot 2008.pdf
Документ Adobe Acrobat 5,0 МБ
Загрузить
Руководство по эксплуатации Peugeot 807
Руководство по эксплуатации Peugeot 807
Руководство по эксплуатации Peugeot 807.pdf
Документ Adobe Acrobat
Загрузить
Руководство по эксплуатации Peugeot 3008
Руководство по эксплуатации Peugeot 3008
Руководство по эксплуатации Peugeot 3008.
pdf
Документ Adobe Acrobat 667,5 КБ
Загрузить
Руководство по эксплуатации Peugeot 5008
Руководство по эксплуатации Peugeot 5008
Руководство по эксплуатации Peugeot 5008.pdf
Документ Adobe Acrobat
Загрузить
Руководство по Peugeot 208
Руководство по Peugeot 208
Руководство по Peugeot 208.pdf
Документ Adobe Acrobat 456,2 КБ
Загрузить
Руководство по эксплуатации Peugeot iOn
Руководство по эксплуатации Peugeot iOn
Руководство по эксплуатации Peugeot iOn.pdf
Документ Adobe Acrobat 2,7 МБ
Загрузить
Руководство по обслуживанию и ремонту Peugeot 405
Руководство по обслуживанию и ремонту Peugeot 405
Руководство по обслуживанию и ремонту Peugeot 405.pdf
Документ Adobe Acrobat 5,7 МБ
Загрузить
Руководство по эксплуатации Peugeot 406 C
Руководство по эксплуатации Peugeot 406 C
Руководство по эксплуатации Peugeot 406 C.
pdf
Документ Adobe Acrobat 1,6 МБ
Загрузить
Руководство пользователя Peugeot Ranch
Руководство пользователя Peugeot Ranch
Руководство пользователя Peugeot Ranch.pdf
Документ Adobe Acrobat 2,2 МБ
Загрузить
Руководство пользователя Peugeot Bipper
Руководство пользователя Peugeot Bipper
Руководство пользователя Peugeot Bipper.pdf
Документ Adobe Acrobat 2,9 МБ
Загрузить
Руководство по эксплуатации Peugeot Boxer
Руководство по эксплуатации Peugeot Boxer
Руководство пользователя Peugeot Boxer.pdf
Документ Adobe Acrobat 2,4 МБ
Загрузить
Руководство пользователя Peugeot RCZ
Руководство пользователя Peugeot RCZ
Руководство пользователя Peugeot RCZ.pdf
Документ Adobe Acrobat 5,4 МБ
Загрузить
Руководство пользователя Peugeot Expert Tepee
Руководство пользователя Peugeot Expert Tepee
Руководство пользователя Peugeot Expert Tepee.
pdf
Документ Adobe Acrobat 293,6 КБ
Загрузить
Руководство Peugeot Partner Tepee
Руководство Peugeot Partner Tepee
Руководство Peugeot Partner Tepee.pdf
Документ Adobe Acrobat 331,7 КБ
Загрузить
Руководство пользователя Peugeot Traveler
Руководство пользователя Peugeot Traveller
Руководство пользователя Peugeot Traveler.pdf
Документ Adobe Acrobat 9.1 MB
Загрузить
Peugeot 206 Электрические схемы
Peugeot 206 Электрические схемы
Peugeot 206 Электрические схемы.pdf
Документ Adobe Acrobat 1.0 MB
Download
peugeot-205-wiring-diagram
peugeot-205-wiring-diagram
peugeot-205-wiring-diagram.png
Portable Network Image Format 25,6 КБ
Загрузить
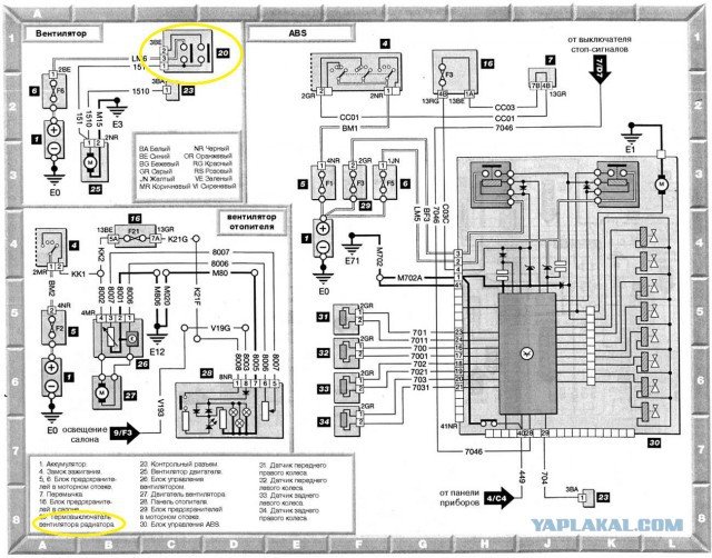
Peugeot-306-схема подключения вентилятора охлаждения
peugeot-306-схема подключения вентилятора охлаждения
peugeot-306-схема подключения вентилятора охлаждения.
p
Portable Network Image Format 51,4 КБ
Скачать
Peugeot-106-схема подключения
Peugeot-106-схема подключения
Peugeot-106-схема подключения.gif
Графический формат обмена 23,4 КБ
Скачать
Peugeot 3008Peugeot 208
Руководство по эксплуатации автомобиля Peugeot в формате PDF и электрические схемы над страницей — 106, 107, 108, 205, 206, 2008, 208, 306, 3008, 308, 405, 406, 508, 607, 807, Bipper, Boxer, Expert, iOn, партнер, Panch, RCZ, Traveler ; Peugeot EWD с; Коды неисправностей Peugeot DTC.
Peugeot был основан в 1896 году.
Кроме того, параллельно с производством автомобилей компания занималась выпуском велосипедов, что обеспечивало неплохую прибыль для последующих вложений в создание новых автомобилей.
модели.
В 1963 году была представлена новая престижная модель купе 504, ставшая совместным творением с все тем же ателье Pininfarina.
В 1966 году было объявлено о заключении договора с одним из основных конкурентов, концерном Renault , который стал технологическим партнером Peugeot на долгие 14 лет.
В ходе сотрудничества были разработаны 6-цилиндровые силовые агрегаты объемом 2,7 л, устанавливаемые на самые дорогие модели обеих марок.
В 1972 году было объявлено о сотрудничестве с Volvo , а уже через два года, благодаря щедрой субсидии французов правительство, Peugeot выкупило контрольный пакет акций другой французской марки Citroën , которая погрязла в долгах из-за чрезмерно расточительного подхода к созданию новых моделей.
Таким образом, руководство Peugeot получило в свое распоряжение популярную марку, имевшую ряд патентов и разработок.
Кроме того, успешное приобретение обеспечило компании
настоящая гоночная команда, которая входила в состав одной из Дочерние компании Citroen — марка Maserati .
Только через полгода, в 1975 году, было продано Maserati , что позволило новому концерну Peugeot Citroen избежать кризиса.
В 1978 году объединенная компания Peugeot Citroen выкупила европейское подразделение американского концерна Chrysler , так как оно оказалось на грани банкротства из-за неспособности конкурировать с европейскими брендами.
Однако от этого приобретения концерн понес лишь серьезные убытки, что привело к началу длительного кризиса и упущенной выгоды в период с 1980 по 1985 год.
Peugeot 306 Haynes Руководства по ремонту и руководства
2.0 120HP (RFX / XU10J2C/XU10J2Z) Замена
Включает онлайн-версию!
Комплект поставки
Немедленно используйте онлайн-руководство
Печатная книга отправляется в тот же день (до 15:00)
Поиск неисправностей — диагностика более 400 проблем
Выполняйте более крупные заказы с помощью Haynes
Схемы подключения основных систем автомобиля
Дополнительные видео в онлайн-руководстве и схемы вашего автомобиля
Только печатное издание!
Что включено
Печатная книга отправляется в тот же день (до 15:00)
Поиск неисправностей — диагностика более 400 проблем
Выполняйте более крупные заказы с помощью Haynes
Схемы подключения основных систем автомобиля транспортное средство
Подходит для начинающих и профессиональных механиков
Только онлайн-версия!
Что включено
Немедленно используйте онлайн-руководство
Включает ВСЕ содержание печатного руководства
Поиск неисправностей — диагностика более 400 проблем
Выполняйте более масштабные задачи с помощью Haynes
Схемы подключения основных систем автомобиля
Дополнительные видео в онлайн-руководстве
Распечатайте любую страницу дома
Более 700 изображений и схем вашего автомобиля
Включает онлайн-версию!
Что включено
Немедленно используйте онлайн-руководство
Печатная книга отправляется в тот же день (до 15:00)
Поиск неисправностей — диагностика более 400 проблем
Выполнение более крупных работ с помощью Haynes
Схемы подключения основных систем автомобиля
Дополнительные видео в онлайн-руководстве
Более 700 изображений и схем вашего автомобиля
Только печатное издание!
Что включено
Печатная книга отправляется в тот же день (до 15:00)
Поиск неисправностей — диагностика более 400 проблем
Выполняйте более крупные заказы с помощью Haynes
Схемы подключения основных систем автомобиля
Более 700 изображений и схем вашего автомобиля
Подходит для начинающих и профессиональных механиков
Только онлайн-версия!
Что включено
Немедленно используйте онлайн-руководство
Включает ВСЕ содержание печатного руководства
Поиск неисправностей — диагностика более 400 проблем
Выполняйте более крупные заказы с помощью Haynes
Схемы подключения основных систем автомобиля
3 Дополнительно 90 видео в онлайн-руководстве
Распечатайте любую страницу дома
Более 700 изображений и схем вашего автомобиля
Выбор:
Печатный и онлайн-пакет
36,00 фунтов стерлингов 25 фунтов стерлингов
Только онлайн
£26.
00
20 фунтов стерлингов
Только печать
£26.00 20,00 фунтов стерлингов
Полная предварительная версия
Пакеты включают печатную и онлайн-версию и предлагают лучшую цену
Онлайн-издания — это цифровые продукты, доступные только онлайн.
Отправка в тот же день на распечатанных руководствах Haynes, если заказ размещен до 14:00 с понедельника по четверг
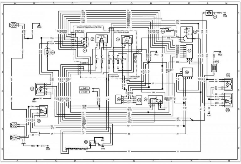
Peugeot 306 — VIN от 30 300 001 до 30 108 961- схема блока предохранителей
Опубликовано от admin
Блок предохранителей под рулевой колонкой. BF 30 (Выключатель освещения через предохранитель 9 )| Предохранитель | Номинальный ток [А] | Поставка | Цепь защищена |
| F1 | 10 | АКК+ | Радио |
| Ф1А | 10 | Аккумулятор + | Радио |
| F2 | 5 | Зажигание + ве | Контрольные лампы панели приборов, тахометр, указатель уровня топлива |
| F3 | — | — | — |
| F4 | 10 | + габаритный фонарь | Передние габаритные огни, правый задний фонарь |
| F5 | 10 | + после заж. от | Прессостат, реле вентилятора, вентилятор отопителя, реле отключения компрессора |
| F6 | 10 | Габаритные огни + ве | Передние противотуманные фары |
| F7 | 20 | Аккумулятор + ве | Звуковые сигналы, реле вентилятора, термовыключатель вентилятора системы охлаждения, ЭБУ термостата охлаждающей жидкости, реле ближнего света для аварийной сигнализации |
| F8 | Шунт | Аккумулятор + ве | Предохранитель 15 и 25 |
| F9 | 5 | Габаритные огни + | Левый задний фонарь. Освещение: выключатель, панель приборов, прикуриватель, радио |
| Ф10 | 30 | Аккумулятор + ве | Задний электрический стеклоподъемник |
| F11 | 30 | Аккумулятор + ве | Электрический колпак. (кабриолет) |
| F12 | 10 | Зажигание +ve | Контрольная лампа панели приборов, выключатель и реле блокировки стартера, фонари заднего хода, датчик воды в топливе, круиз-контроль, температура каталитического нейтрализатора. блок управления, блок сигнализации и сирены, ходовые огни |
| Ф13 | 15 | Аккумулятор + ве | Предупреждение об опасности |
| Ф14 | 15 | Аккумулятор + ве | Реле питания ближнего света для аварийной сигнализации, закодированное антизапуск. |
| Ф15 | 30 | Аккумулятор + ве | Передний и задний плафон, освещение багажника, инфракрасный приемник, блок управления центральным замком, блок сигнализации, освещение багажника. |
| Ф16 | 20 | Аккумулятор + ве | Прикуриватель |
| Ф16А | 20 | Ак + ве | Прикуриватель |
| Ф17 | — | — | — |
| Ф18 | 10 | Ближний свет + | Задние противотуманные фары |
| Ф19 | 10 | + боковой фонарь | Подсветка зуммера, часов, приборной панели |
| F20 | 30 | + после заж. | Подогрев сидений |
| Ф21 | 30 | + после заж. от | Двигатель вентилятора кондиционера/нагревателя, двигатель смесительной заслонки, двигатель заслонки воздухозаборника, панель управления кондиционером/нагревателем, переключатель переменного тока, вентилятор нагревателя |
| F22 | 20 | Акк +ве | Задний стеклоочиститель, заднее освещение салона (Affaire), блок управления центральным замком |
| Ф23 | 5 | + после заж. выкл | Термистор воздуха в салоне, обогрев заднего стекла и зеркал, ЭБУ термостата охлаждающей жидкости, система обогрева заднего стекла (кабриолет) |
| Ф24 | 30 | Ак + ве | Стеклоочиститель передний и задний, омыватель переднего и заднего стекла. |
| Ф25 | 5 | Аккумулятор + ве | Часы, радио, светодиод будильника |
| Ф26 | 20 | Аккумулятор + ве | Электрическая антенна, разъем караванного разъема |
| Ф27 | 30 | Аккумулятор + ве | Обогрев заднего стекла, подогрев зеркал, обогрев заднего стекла, кабриолет.![]() |
| Ф28 | 15А | Акк + | Блок дополнительной регулировки, стоп-сигналы, часы, люк в крыше, передние и задние электростеклоподъемники, контрольные лампы приборов, контрольная лампа нагрузки, электропривод капота. |
| Ф29 | 30 | Аккумулятор + ве | Электрические передние стеклоподъемники, люк в крыше. |
| Ф30 | 15 | Акк + | Указатели поворота, передний и задний плафон, чтение карты, подсветка перчаточного ящика, блок управления стеклоподъемниками одним касанием, инфракрасный приемник, электрические зеркала, подсветка зуммера, косметическое зеркало |
Блок предохранителей под рулевой колонкой. BF 30 (Выключатель освещения через предохранитель
19 )| Предохранитель | Номинальный ток [А] | Поставка | Цепь защищена |
| F1 | 10 | АКК+ | Радио |
| Ф1А | 10 | Аккумулятор + | Радио |
| F2 | 5 | Зажигание + ве | Контрольные лампы панели приборов, тахометр, указатель уровня топлива, ЭБУ термостата охлаждающей жидкости.![]() |
| F3 | 15 | Реле вентилятора, прессостат. | |
| F4 | 10 | + габаритный фонарь | Передние габаритные огни, правый задний фонарь |
| F5 | 10 | + после заж. от | Вентилятор отопителя |
| F6 | 10 | Габаритные огни + ве | Передние противотуманные фары |
| F7 | 20 | Аккумулятор + ве | Звуковые сигналы, реле вентилятора, термовыключатель вентилятора системы охлаждения, ЭБУ термостата охлаждающей жидкости, реле ближнего света для аварийной сигнализации |
| Ф8 | Шунт | Аккумулятор + ве | Предохранитель 15 и 25 |
| F9 | 5 | Габаритные огни + | Левый задний фонарь |
| Ф10 | 30 | Аккумулятор + ве | Задний электрический стеклоподъемник |
| F11 | 30 | Аккумулятор + ве | Электрический колпак. (кабриолет) |
| F12 | 10 | Зажигание +ve | Блок сигнализации и сирены, датчик воды в топливе, фонарь заднего хода, круиз-контроль, контрольные лампы панели приборов, ходовые огни, блок управления температурой каталитического нейтрализатора, реле и выключатель блокировки стартера, датчик уровня охлаждающей жидкости двигателя. |
| Ф13 | 15 | Аккумулятор + ве | Предупреждение об опасности |
| Ф14 | 15 | Аккумулятор + ве | Реле питания ближнего света для сигнализации |
| Ф15 | 30 | Аккумулятор + ве | Передний и задний плафон, освещение багажника, инфракрасный приемник, блок управления центральным замком, блок сигнализации, освещение багажника. |
| Ф16 | 20 | Аккумулятор + ве | Прикуриватель |
| Ф16А | 20 | Ак + ве | Прикуриватель |
| Ф17 | — | — | — |
| Ф18 | 10 | Ближний свет + | Задние противотуманные фары |
| Ф19 | 10 | + боковой фонарь | Контрольная лампа Lide, зуммер, часы. Освещение: переключатели, панель приборов, магнитола, прикуриватель. |
| Ф20 | 30 | + после заж. от | Подогрев сидений |
| Ф21 | 30 | + после заж. от | Двигатель вентилятора кондиционера/нагревателя, двигатель смесительной заслонки, двигатель заслонки воздухозаборника, панель управления кондиционером/нагревателем, переключатель переменного тока, вентилятор нагревателя |
| F22 | 20 | Акк +ве | Задний стеклоочиститель, заднее освещение салона (Affaire), блок управления центральным замком |
| F23 | 5 | + после заж. от | Термистор воздуха в салоне, обогрев заднего стекла и зеркал, ЭБУ термостата охлаждающей жидкости, система обогрева заднего стекла (кабриолет) |
| Ф24 | 30 | Ак + ве | Стеклоочиститель передний и задний, омыватель переднего и заднего стекла. |
| Ф25 | 5 | Аккумулятор + ве | Часы, радио, светодиод будильника |
| Ф26 | 20 | Аккумулятор + ве | Электрическая антенна, разъем для прицепа |
| Ф27 | 30 | Аккумулятор + ве | Обогрев заднего стекла, подогрев зеркал, обогрев заднего стекла, кабриолет. |
| Ф28 | 15А | Акк + | Дополнительный блок регулировки, стоп-сигналы, часы, люк в крыше, электрические передние и задние стеклоподъемники, контрольные лампы приборов, контрольная лампа нагрузки, электрический капот |
| Ф29 | 30 | Аккумулятор + ве | Электрические передние стеклоподъемники, люк в крыше. |
| Ф30 | 15 | Акк + | Указатели поворота, передний и задний плафон, чтение карт, подсветка перчаточного ящика, блок управления стеклоподъемниками одним касанием, инфракрасный приемник, электрические зеркала, подсветка на зуммере, косметическое зеркало.![]() |
Блок предохранителей под капотом (аккумулятор + блок питания)
| Предохранитель | Номинальный ток [А] | Поставка | Цепь защищена |
| Ф31 | 30 | Аккумулятор + | АБС |
| Ф32 | Шунт | ||
| Ф33 | 30 | Вентилятор, контрольные лампы панели приборов | |
| Ф34 | 30 | Вентилятор | |
| Ф35 | 10 | Зажигание + | Топливный насос |
| Ф36 | 30 | Датчик кислорода |
ПРЕДУПРЕЖДЕНИЕ. Назначение клемм и жгутов для отдельных разъемов зависит от уровня комплектации автомобиля, модели и рынка.
306, Пежо электричество
Объяснение электрических схем | Как читать электрические схемы – Upmation
Электрическая схема может представлять собой схему на одной странице, показывающую, как потолочный вентилятор должен быть подключен к источнику питания и его дистанционным выключателям.![]()
Электросхема может включать проводку автомобиля. Например, как сигналы запитаны и подключены к контроллеру на рулевом колесе.
Или электросхема может быть документом на 200 страниц, включая все электропроводки электрической панели управления на огромном заводе или заводе.
Поскольку к большинству схем подключения применяются некоторые эмпирические правила, в части 1 этой статьи, состоящей из нескольких частей, вы узнаете, как читать схему подключения с помощью схемы подключения реальной промышленной панели управления.
А во второй части вы научитесь читать схему подключения ПЛК и его модулей.
Уделите время изучению стандартов!
Схемы подключения могут соответствовать различным стандартам в зависимости от страны, в которой они будут использоваться.
Они могут иметь различный макет в зависимости от компании и дизайнера, который их разрабатывает.
Они также могут быть начерчены другим программным обеспечением ECAD, таким как EPLAN или AutoCAD Electrical. Итак, когда вы впервые видите электрическую схему, вам может потребоваться некоторое время, чтобы проанализировать ее и ознакомиться с ее расположением и символами.
Давайте начнем с реального примера электрической схемы.
Документ, который мы собираемся проверить, включает более 140 страниц, но мы проверим только некоторые страницы, так как остальные в чем-то похожи.
Сначала самое главное! Обозначения на электрической схеме
Каждая электрическая схема включает:
— компоненты оборудования,
— источники питания,
— шасси заземления,
— клеммы,
— несколько проводов, конечно!
— Цифры, буквы и, может быть, некоторые номенклатуры.
Обычно самым первым шагом в обучении чтению схемы соединений является знакомство с символами оборудования, и каждая схема должна иметь для этой цели одну или две страницы.
Эта страница известна как страница Легенда и сокращение .
На странице «Условные обозначения и сокращения» вы можете увидеть:
– Трехфазный электродвигатель переменного тока, условное обозначение
– Электромагнитный клапан, условное обозначение
— MCCB с защитой от перегрева и короткого замыкания
— Контактор (катушка и ее контакты)
и все другие электрические символы, необходимые для чтения электрической схемы.
Помните, что эти символы могут незначительно отличаться на разных схемах соединений в зависимости от программного обеспечения ECAD, в котором они были разработаны.
Например, предохранитель в EPLAN Electric P8 (программное обеспечение для построения схем ) выглядит так:
Но в AutoCAD Electrical он выглядит так:
Кстати, вы узнаете больше символов в оставшейся части этой статьи и очень скоро привыкнете к этим электрическим символам!
Принципиальная электрическая схема!
Хорошо, давайте начнем с первой страницы , чтобы увидеть, насколько легко читать и понимать электрическую схему.
Правило № 1: Как следовать электрической схеме (направление чтения)
Прежде всего, в стандартных электрических схемах есть эмпирическое правило: читать схему следует слева направо и сверху вниз.
Как будто книгу читаешь!
Но иногда дизайнеры делают некоторые исключения, чтобы иметь лучший макет, такой как эта страница.
Итак, в качестве исключения, мы должны начать с обратной стороны, и это где трехфазное питание входит в панель.
Напоминаем, что уровень напряжения и частота питания зависят от страны, в которой мы реализуем наш проект.
Например:
– В Англии или Австрии уровень напряжения 400 вольт с частотой 50 герц
— В Соединенных Штатах трехфазный источник питания будет производить 480 вольт с частотой 60 герц.
Питание подается на клеммные колодки с помощью клеммной колодки «X0».
Клеммная колодка — это обозначение группы клеммных колодок с одинаковым уровнем напряжения или одинаковым назначением.
От этих клеммных колодок мы переходим к трехполюсному автоматическому выключателю с возможностью защиты от перегрева и короткого замыкания.
Правило №2: электрические схемы рисуются в нейтральном положении
Любая стандартная электрическая схема должна быть нарисована в нейтральном состоянии.
Это означает, что все контакты, контакторы, автоматические выключатели и т. д. показаны в нормальном или обесточенном состоянии.
Следовательно, если вы видите на электрической схеме замкнутый контакт, это нормально замкнутый контакт, а остальные контакты должны быть разомкнуты.
У нас есть отличная статья о замыкающих и размыкающих контактах и примерах их реального применения, которую вы можете прочитать здесь.
Как читать электрические схемы
Хорошо! Давайте продолжим чтение.
После включения этого автоматического выключателя вручную, мощность течет к некоторым шинам распределения питания, от которых можно взять несколько ответвлений.
Одна из ветвей идет на двухполюсный выключатель.
и оттуда питает трансформатор.
Если вы заметили, на проводах есть какие-то цифры.
Это так называемые «проводные бирки».
Что такое проволочная бирка? (И тег устройства)
Метки проводов представляют собой комбинацию нескольких букв и цифр, установленных на проводе или кабеле и используются для указания, к какому устройству или клеммной колодке должен быть подключен провод или кабель.
Бирки для проводов очень полезны при устранении неполадок, так как когда провод выходит из точки подключения, вы можете легко посмотреть на схему подключения и выяснить, где его следует снова подключить.
В панели также есть теги для устройств.
Если вы смотрели на схему подключения и не знали, что такое устройство, то вы могли найти его в панели по его тегу.
Этот трансформатор преобразует 400 вольт в однофазное напряжение 230 вольт.
Используется для питания розетки или розетки, обогревателя и вентилятора.
Тег «-ST19» относится к термостату, который включает и выключает нагреватель или вентилятор при заданных уставках температуры.
Вы также заметили заземляющее шасси и его ответвления везде, где это необходимо.
Адресация компонентов на схемах электрических соединений
Прежде чем мы перейдем к следующей странице, вы можете спросить, что означают эти цифры в верхней части страницы. Это очень хороший вопрос!
На самом деле, это номера столбцов, и они разделили каждую страницу этого рисунка на 10 столбцов.
Как видите, в каждом столбце есть несколько устройств, и мы можем использовать эти номера столбцов в сочетании с номером страницы для адресации различных устройств, контактов, клеммных колодок и т. д. на других страницах.
Поясню на нескольких примерах!
Например, основная трехфазная мощность показана стрелками и цифрами в верхней правой части страницы.
Все они имеют номер 2.0 рядом со стрелкой.
— «2» указывает на вторую страницу.
— «0» указывает на первый столбец второй страницы.
И вот! Это наш источник питания на странице два .
В качестве другого примера, номер под этим контактом означает страницу 130 и столбец 6.
Перехожу на 130 страницу схемы подключения, а это столбец номер 6.
И вот оно! Та же бирка, KA1306, как мы и ожидали.
Похоже на катушку. Но не катушка контактора; катушка реле.
Откуда я это знаю?! Если вы видели страницу с легендой и аббревиатурой на чертеже, вы знаете, что «-KA» — это номенклатура реле на этом чертеже.
Под катушкой вы видите контакт 13-14 (замыкающий контакт) на второй странице, а также другие замыкающие и размыкающие контакты этого реле с адресами, которые они использовали на этом рисунке.
Мы еще вернемся на эту страницу.
На второй странице источник питания питает 24-вольтовый блок питания, и он обеспечивает напряжение 24 В с мощностью 10 ампер.
Оттуда мы расширили это напряжение с помощью некоторых клеммных колодок, чтобы мы могли подавать питание на различные инструменты, карты ПЛК, ЦП ПЛК или любое другое устройство, для включения которого требуется 24 вольта.
Но подождите! Эта часть чертежа кажется немного странной, так как все эти клеммные колодки имеют одинаковую маркировку «XC».
Что такое двухъярусные клеммные колодки?
На рынке представлено множество клеммных колодок. В этом случае, чтобы сэкономить место на панели, мы использовали двухуровневые клеммные колодки.
Они занимают то же место, что и обычные клеммные колодки, но к ним можно подключить два провода с каждой стороны.
Далее у нас есть ответвление, которое подает питание 24 вольта на страницу 12 столбца 0, но с двумя блокировками!
Что такое электрическая блокировка?
Блокировка означает состояние.
Например, здесь, без включения этих блокировок, наши 24 В не могут достичь страницы 12, столбец 0.
Давайте снова обратимся к странице 130 схемы подключения, чтобы увидеть, что это за условия.
ПРИМЕЧАНИЕ. Вы заметили, что нам приходится переключаться между разными страницами? Это единственный способ, которым мы должны воспользоваться, чтобы полностью понять эти рисунки.На странице 130 у нас есть защитное реле , и он будет использоваться для защиты людей, материалов и самой машины во время ее работы.
Помните, что разработчик этой электрической схемы должен был обратиться к техническому описанию этого оборудования, чтобы завершить свою работу.
На самом деле чтение паспорта оборудования является очень важным и неизбежным этапом проектирования схемы подключения.
Мы всегда должны делать то же самое для всего оборудования, используемого в процессе.
Кстати, каналы S11/S12 и S21/S22 используются для подключения к компонентам безопасности на объекте (например, барьеры безопасности), и если зона эвакуируется, то эти каналы будут активированы.




Нельзя исключать появление окислений контактов, обрыва проводки, идущей на электровентилятор. Прежде чем выбрасывать мотор печки, убедитесь, что проблема не с электропроводкой.






от
блок управления, блок сигнализации и сирены, ходовые огни

(кабриолет)
Освещение: переключатели, панель приборов, магнитола, прикуриватель.